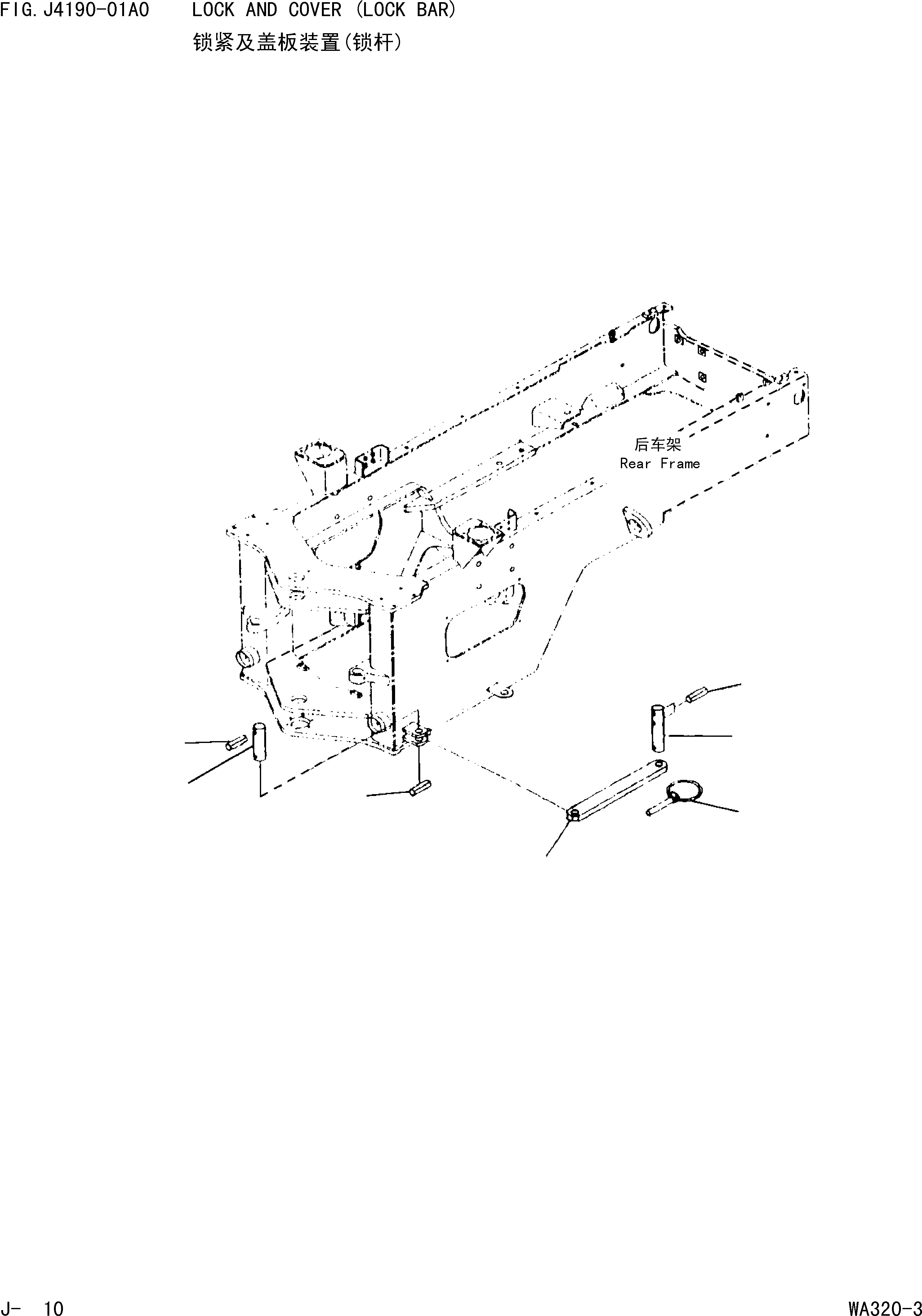
Запчасти Komatsu WA320-3 БЛОКИР. И COVER(БЛОКИР. BAR) ОСНОВНАЯ РАМА И ЕЕ ЧАСТИ]

Схема запчастей Komatsu WA320-3 - БЛОКИР. И COVER(БЛОКИР. BAR) ОСНОВНАЯ РАМА И ЕЕ ЧАСТИ]
6
5
7
1
4
2
3
FIT
1:1
100%

Артикул

Название

Примечание

Количество

1

421-46-12920

BAR,LOCK

Field_1: 15001-

1шт.

2

421-46-12721

PIN

Field_1: 15001-

1шт.

3

04025-01065

PIN,SPRING

Field_1: 15001-

1шт.

4

04025-01065

PIN,SPRING

Field_1: 15001-

1шт.

5

421-46-12731

PIN

Field_1: 15001-

1шт.

6

04025-01065

PIN,SPRING

Field_1: 15001-

2шт.

7

421-46-12740

PIN,LINCH

Field_1: 15001-

1шт.

Выбрано товаров: 7