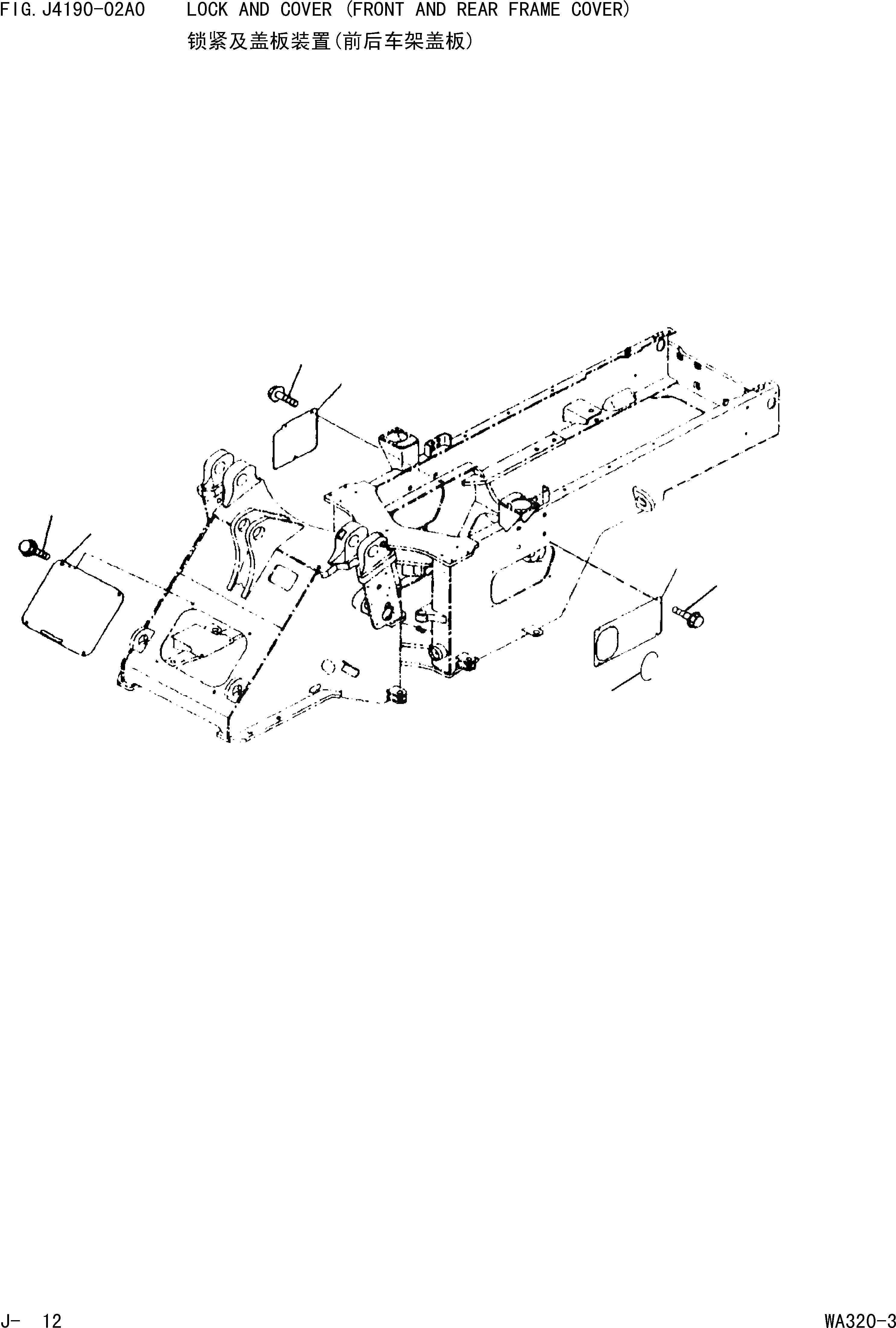
Запчасти Komatsu WA320-3 БЛОКИР. И COVER(ПЕРЕДН. И ЗАДН. РАМА COVER) ОСНОВНАЯ РАМА И ЕЕ ЧАСТИ]

Схема запчастей Komatsu WA320-3 - БЛОКИР. И COVER(ПЕРЕДН. И ЗАДН. РАМА COVER) ОСНОВНАЯ РАМА И ЕЕ ЧАСТИ]
5
4
2
1
3
5
6
FIT
1:1
100%

Артикул

Название

Примечание

Количество

1

419-46-24120

COVER,FRONT

Field_1: 15001-

1шт.

2

01435-01225

BOLT

Field_1: 15001-

4шт.

3

419-46-24140

COVER,L.H

Field_1: 15001-

1шт.

4

419-46-24150

COVER,R.H

Field_1: 15001-

1шт.

5

01435-01225

BOLT

Field_1: 15001-

7шт.

6

417-04-21210

FINISHER

Field_1: 15001-

1шт.

Выбрано товаров: 0