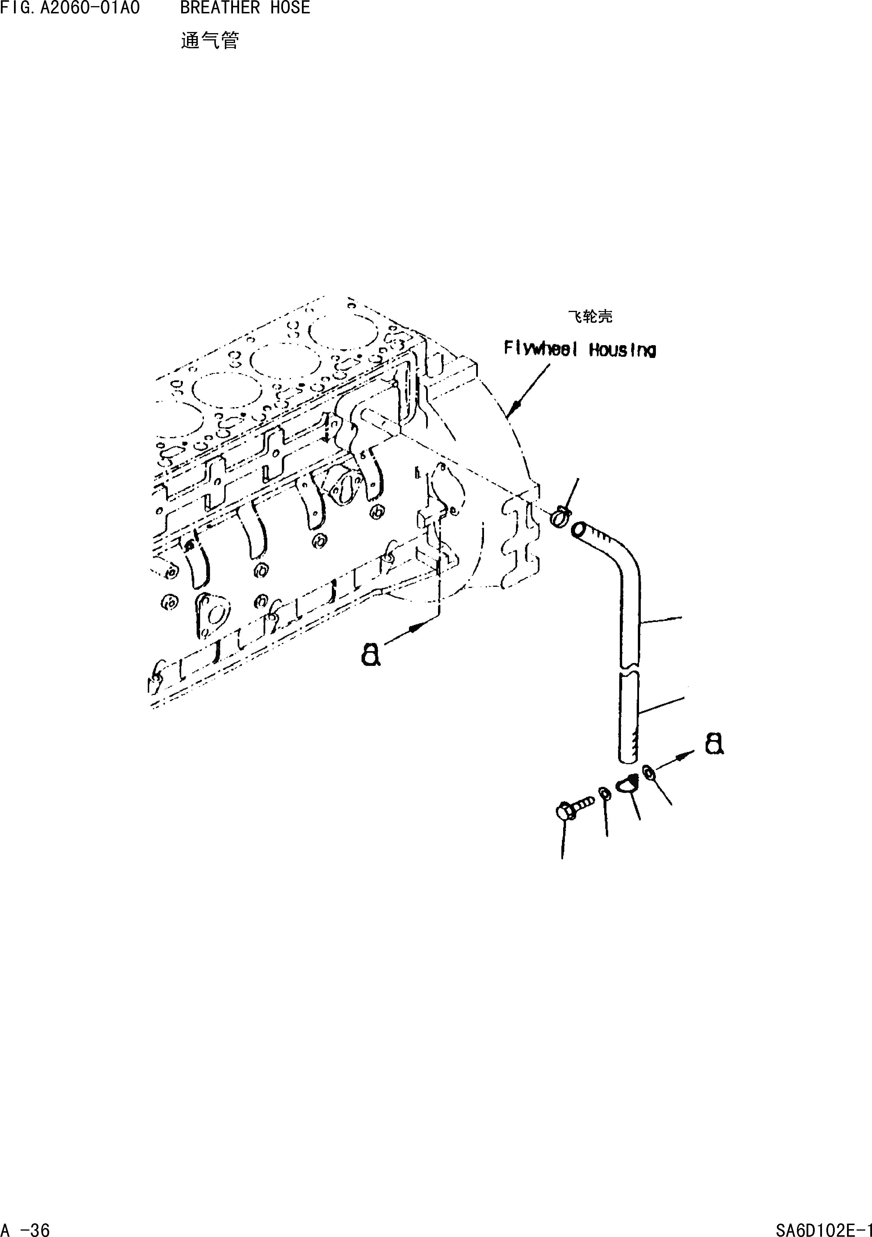
Запчасти Komatsu WA320-3 ПАТРУБКИ САПУНА ДВИГАТЕЛЬ]

Схема запчастей Komatsu WA320-3 - ПАТРУБКИ САПУНА ДВИГАТЕЛЬ]
5
1
6
3
2
3
4
FIT
1:1
100%

Артикул

Название

Примечание

Количество

1

07286-01942

HOSE

Field_1: 26200467-

1шт.

2

6221-21-5880

CLIP

Field_1: 26200467-

1шт.

3

6201-81-6560

SPACER

Field_1: 26200467-

2шт.

4

01435-20825

BOLT

Field_1: 26200467-

1шт.

5

07285-00220

CLIP

Field_1: 26200467-

1шт.

6

423-GB-Z0020

HOSE

Field_1: 26200467-

1шт.

Выбрано товаров: 6