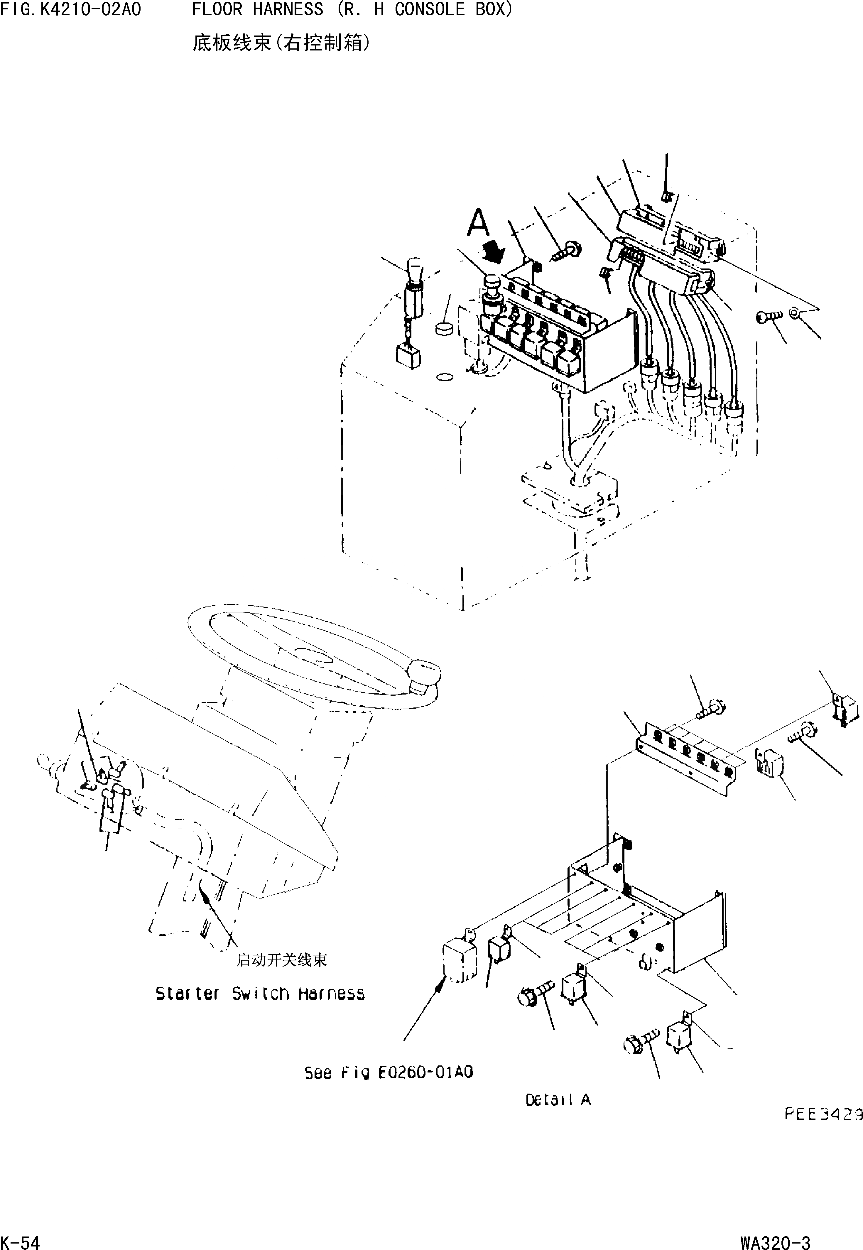
Запчасти Komatsu WA320-3 ПОЛ Э/ПРОВОДКА(R.H КОНСОЛЬН. БЛОК) КАБИНА ОПЕРАТОРА И СИСТЕМА УПРАВЛЕНИЯ]

Схема запчастей Komatsu WA320-3 - ПОЛ Э/ПРОВОДКА(R.H КОНСОЛЬН. БЛОК) КАБИНА ОПЕРАТОРА И СИСТЕМА УПРАВЛЕНИЯ]
5
6
2
4
1
2
3
4
1
3
4
1
3
7
16
16
18
19
9
8
17
7
20
10
13
11
12
14
15
FIT
1:1
100%

Артикул

Название

Примечание

Количество

1

569-06-61960

RELAY

Field_1: 15001-

9шт.

2

569-06-61970

RELAY

Field_1: 15001-

4шт.

3

287-06-16420

RELAY

Field_1: 15001-

13шт.

4

01435-00610

BOLT

Field_1: 15001-

13шт.

5

423-06-11220

PLATE

Field_1: 15001-

1шт.

6

01435-00616

BOLT

Field_1: 15001-

2шт.

7

419-06-22381

BOX

Field_1: 15001-

1шт.

8

423-06-22331

FUSE BOX.FUSE

Field_1: 15001-

1шт.

9

283-06-16190

FUSE.10A

Field_1: 15001-

12шт.

|$9

22W-06-13160

FUSE

Field_1: 15001-

5шт.

10

283-06-16120

COVER

Field_1: 15001-

1шт.

11

423-06-22341

FUSE BOX.FUSE

Field_1: 15001-

1шт.

12

283-06-16190

FUSE.10A

Field_1: 15001-

6шт.

|$13

22W-06-13160

FUSE

Field_1: 15001-

5шт.

13

283-06-16120

COVER

Field_1: 15001-

1шт.

14

01220-40516

SCREW

Field_1: 15001-

4шт.

15

01641-20508

WASHER

Field_1: 15001-

4шт.

16

08038-00518

CAP

Field_1: 15001-

5шт.

17

425-54-Z7310

LIGHTER

Field_1: 15001-

1шт.

18

421-06-16141

SWITCH.WIPER.FRONT

Field_1: 15001-

1шт.

19

09415-00506

CAP

Field_1: 15001-

1шт.

20

01435-00612

BOLT

Field_1: 15001-

4шт.

Выбрано товаров: 22