Запчасти Komatsu WA320-3 АККУМУЛЯТОР И КОРПУС АККУМУЛЯТОРА(№-) КОМПОНЕНТЫ ДВИГАТЕЛЯ И ЭЛЕКТРИКА

Схема запчастей Komatsu WA320-3 - АККУМУЛЯТОР И КОРПУС АККУМУЛЯТОРА(№-) КОМПОНЕНТЫ ДВИГАТЕЛЯ И ЭЛЕКТРИКА
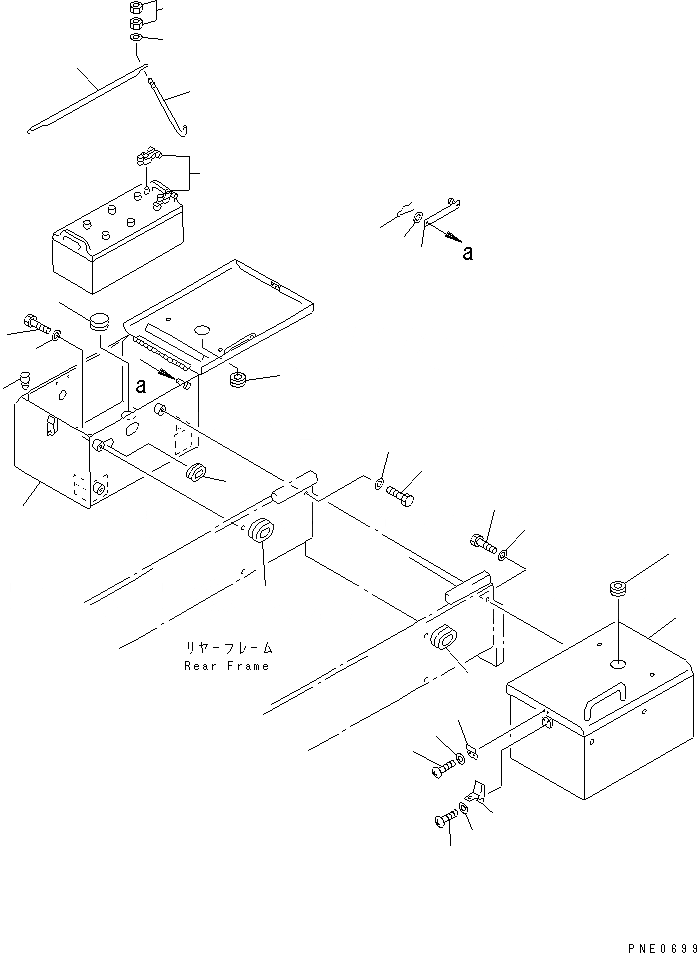
1
2
3
4
4
5
6
6
6
7
8
9
10
10
11
12
13
13
14
15
16
17
18
19
19
20
21
22
22
FIT
1:1
100%

Артикул

Название

Примечание

Количество

1

08000-32215

BATTERY, WET(145F51)

SN: 50001-UP

2шт.

1

08000-00000

TERMINAL, (+)

SN: 50001-UP

1шт.

1

08000-00001

TERMINAL, (-)

SN: 50001-UP

1шт.

2

419-06-24140

BOX,BATTERY, L.H.

SN: 50001-UP

1шт.

3

419-06-24150

BOX,BATTERY, R.H.

SN: 50001-UP

1шт.

4

01010-81640

BOLT

SN: 50001-UP

2шт.

5

01010-81665

BOLT

SN: 50001-UP

4шт.

6

01643-31645

WASHER

SN: 50001-UP

6шт.

7

421-06-24230

BAR

SN: 50001-UP

2шт.

8

01641-20812

WASHER

SN: 50001-UP

2шт.

9

04052-10833

PIN,SNAP

SN: 50001-UP

2шт.

10

421-09-12321

HOLDER

SN: 50001-UP

2шт.

11

01220-40408

SCREW

SN: 50001-UP

6шт.

12

01220-40410

SCREW

SN: 50001-UP

4шт.

13

01641-20405

WASHER

SN: 50001-UP

10шт.

14

415-54-11980

CUSHION

SN: 50001-UP

4шт.

15

421-06-11221

HOLDER

SN: 50001-UP

2шт.

16

113-06-31120

BOLT

SN: 50001-UP

4шт.

17

01580-11008

NUT

SN: 50001-UP

8шт.

18

01643-31032

WASHER

SN: 50001-UP

4шт.

19

419-09-11450

GROMMET

SN: 50001-UP

2шт.

20

426-09-11230

GROMMET

SN: 50001-UP

2шт.

21

09415-02520

CAP

SN: 50001-UP

2шт.

22

08037-03614

GROMMET

SN: 50001-UP

2шт.

Выбрано товаров: 24