Запчасти Komatsu WA320-3 ЗАДН. МОСТ (ДИФФЕРЕНЦ.)(№-) ТРАНСМИССИЯ

Схема запчастей Komatsu WA320-3 - ЗАДН. МОСТ (ДИФФЕРЕНЦ.)(№-) ТРАНСМИССИЯ
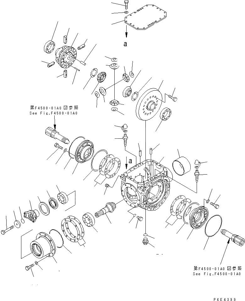
1
2
3
4
5
6
7
8
9
10
11
12
13
14
15
16
17
17
18
18
18
18
19
19
19
19
20
20
21
21
21
21
22
23
24
25
25
26
27
28
29
30
31
31
32
32
33
34
35
36
36
37
38
39
39
40
40
41
41
42
42
43
43
44
44
FIT
1:1
100%

Артикул

Название

Примечание

Количество

|$1

419-23-20011

AXLE ASS'Y,REAR

SN: 50001-54114

1шт.

|$$2

THIS ASSEMBLY CONSISTS OF ALL PARTS SHOWN IN FIGS.F4500-01A0 TO F4500-04A0.

-1шт.

1

419-22-21230

COUPLING

SN: 50001-@

1шт.

2

418-22-21310

PROTECTOR

SN: 50001-@

1шт.

|$9

419-22-21601

PINION ASS'Y

SN: 50001-54114

1шт.

3

0

PINION

SN: 50001-@

1шт.

4

0

PINION,BEVEL

SN: 50001-54114

1шт.

5

419-22-11810

BEARING

SN: 50001-@

1шт.

6

419-23-21631

CAGE,BEARING

SN: 50001-@

1шт.

7

419-22-11820

BEARING

SN: 50001-@

1шт.

8

418-22-21330

SEAL,OIL

SN: 50001-@

1шт.

9

423-22-11240

HOLDER

SN: 50001-@

1шт.

10

01011-61615

BOLT

SN: 50001-@

1шт.

11

07000-13042

O-RING

SN: 50001-@

1шт.

12

07000-15180

O-RING

SN: 50001-@

1шт.

13

419-22-11361

SHIM, 0.05MM

SN: 50001-@

2шт.

13

419-22-11371

SHIM, 0.2MM

SN: 50001-@

2шт.

13

419-22-11381

SHIM, 0.3MM

SN: 50001-@

2шт.

13

419-22-11391

SHIM, 0.8MM

SN: 50001-@

1шт.

14

01010-31440

BOLT

SN: .-@

10шт.

14

0

BOLT

SN: 50001-.

10шт.

15

01643-31445

WASHER

SN: 50001-@

10шт.

16

0

CARRIER

SN: .-54114

1шт.

16

0

CARRIER

SN: 50001-.

1шт.

17

419-22-11432

GEAR

SN: 50001-@

2шт.

18

419-22-11421

PINION

SN: 50001-@

4шт.

19

419-22-21740

SHAFT

SN: 50001-54114

4шт.

20

419-22-11631

WASHER

SN: 50001-@

2шт.

21

419-22-21751

WASHER

SN: 50001-54114

4шт.

22

175-21-12180

PIN

SN: 50001-54114

4шт.

23

418-22-11440

PIN

SN: 50001-54114

4шт.

24

01010-31650

BOLT

SN: .-54114

16шт.

24

0

BOLT

SN: 50001-.

16шт.

25

418-22-12850

BEARING

SN: 50001-54114

2шт.

26

0

HOUSING

SN: 50001-@

1шт.

27

423-23-23170

SLEEVE

SN: 50001-@

1шт.

28

07044-13620

PLUG

SN: 50001-@

1шт.

29

07002-13634

O-RING

SN: 50001-@

1шт.

30

07043-70211

PLUG

SN: 50001-@

2шт.

31

419-33-11460

BLEEDER

SN: 50001-@

2шт.

32

566-32-11620

CAP

SN: 50001-@

2шт.

33

07040-12012

PLUG,(FOR SHIPPING)

SN: 50001-@

2шт.

34

07002-12034

O-RING,(FOR SHIPPING)

SN: 50001-@

2шт.

35

419-22-23620

COVER

SN: 50001-@

1шт.

36

04020-01228

PIN,DOWEL

SN: 50001-@

2шт.

37

01010-61240

BOLT

SN: 50001-@

20шт.

38

01643-31232

WASHER

SN: 50001-@

20шт.

39

419-22-21660

CARRIER

SN: 50001-54114

2шт.

40

419-22-21760

SHIM, 0.05MM

SN: 50001-@

6шт.

40

419-22-21770

SHIM, 0.2MM

SN: 50001-@

3шт.

40

419-22-21780

SHIM, 0.3MM

SN: 50001-@

3шт.

40

419-22-21790

SHIM, 0.8MM

SN: 50001-@

2шт.

41

418-33-21430

RING

SN: 50001-@

2шт.

42

01010-31240

BOLT

SN: .-@

16шт.

42

0

BOLT

SN: 50001-.

16шт.

43

01643-31232

WASHER

SN: 50001-@

16шт.

44

419-33-21710

SEAL

SN: 50001-@

2шт.

Выбрано товаров: 57