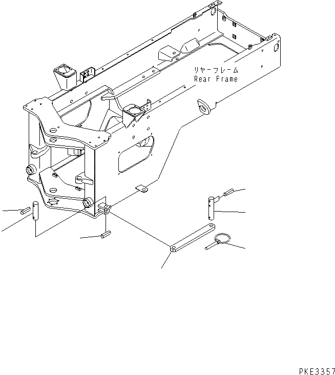
Запчасти Komatsu WA320-3 БЛОКИРОВКА И КРЫШКИ(БЛОКИР. BAR) ОСНОВНАЯ РАМА И ЕЕ ЧАСТИ

Схема запчастей Komatsu WA320-3 - БЛОКИРОВКА И КРЫШКИ(БЛОКИР. BAR) ОСНОВНАЯ РАМА И ЕЕ ЧАСТИ
1
2
3
4
5
6
7
FIT
1:1
100%

Артикул

Название

Примечание

Количество

1

421-46-12920

BAR,LOCK

SN: 50001-UP

1шт.

2

421-46-12721

PIN

SN: 50001-UP

1шт.

3

04025-01065

PIN,SPRING

SN: 50001-UP

1шт.

4

04025-01065

PIN,SPRING

SN: 50001-UP

1шт.

5

421-46-12731

PIN

SN: 50001-UP

1шт.

6

04025-01065

PIN,SPRING

SN: 50001-UP

2шт.

7

421-46-12740

PIN,LINCH

SN: 50001-UP

1шт.

Выбрано товаров: 7