Запчасти Komatsu WA320-3 КЛАПАН УПРАВЛЕНИЯ ТРАНСМИССИЕЙ (/) (КРЕПЛЕНИЕ) ТРАНСМИССИЯ

Схема запчастей Komatsu WA320-3 - КЛАПАН УПРАВЛЕНИЯ ТРАНСМИССИЕЙ (/) (КРЕПЛЕНИЕ) ТРАНСМИССИЯ
1
1
2
3
4
5
6
7
8
9
10
11
12
FIT
1:1
100%

Артикул

Название

Примечание

Количество

|$$1

SERIAL NO. IN ( ) INDICATES TRANSMISSION SERIAL NO.

-1шт.

|$4

714-16-20002

TRANSMISSION ASS'Y

SN: 54143-UP

1шт.

|$5

714-16-20001

TRANSMISSION ASS'Y

SN: 52001-54142

1шт.

|$6

714-16-20000

TRANSMISSION ASS'Y

SN: 50001-52000

1шт.

|$$5

THESE ASSEMBLIES CONSISTS OF ALL PARTS SHOWN IN FIGS.F4350-51A0 TO F4350-68A0.

-1шт.

1

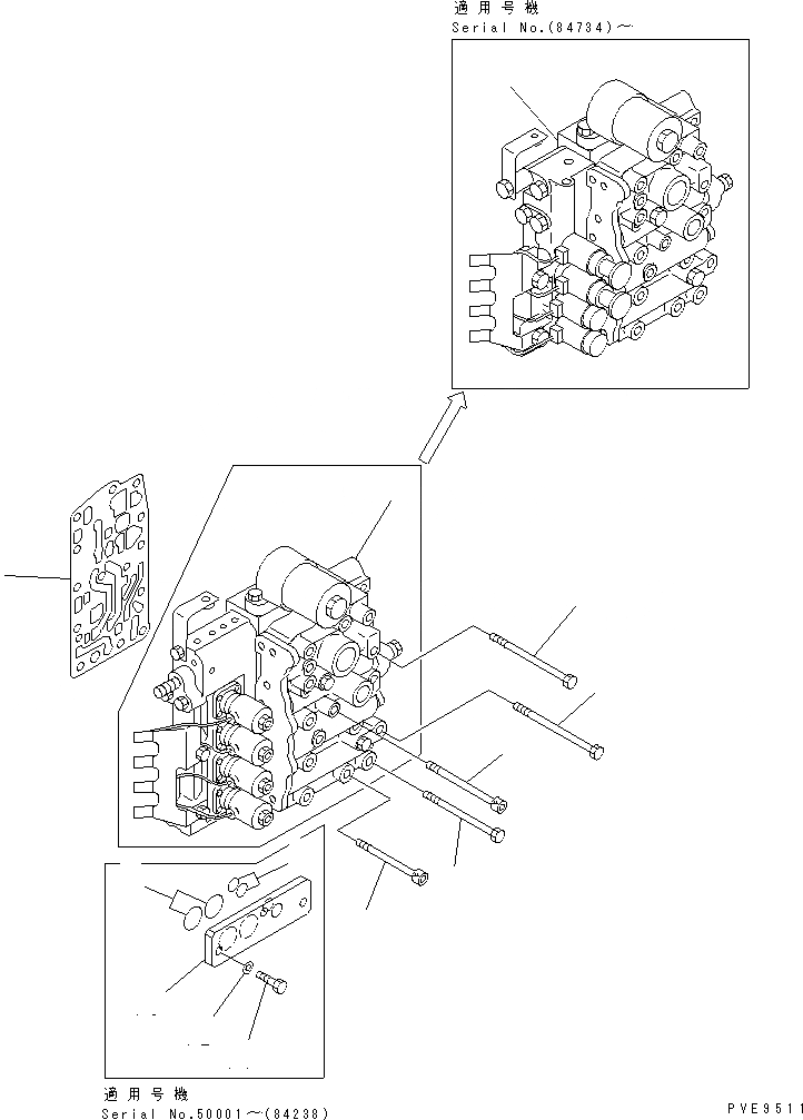
714-16-25030

CONTROL VALVE ASS'Y

SN: (84734)-UP

1шт.

1

0

CONTROL VALVE ASS'Y

SN: (83620)-(84733)

1шт.

1

0

CONTROL VALVE ASS'Y

SN: 50001-(83619)

1шт.

2

714-11-16920

GASKET,LOWER

SN: 50001-UP

1шт.

3

01011-81020

BOLT

SN: 50001-UP

4шт.

4

01011-81030

BOLT

SN: 50001-UP

2шт.

5

01011-81035

BOLT

SN: 50001-UP

2шт.

6

419-15-16680

BOLT

SN: 50001-UP

4шт.

7

419-15-15170

BOLT

SN: 50001-UP

1шт.

8

07000-73025

O-RING (K1)

SN: 50001-(84238)

2шт.

9

07000-72014

O-RING (K1)

SN: 50001-(84238)

2шт.

10

714-16-25900

COVER

SN: 50001-(84238)

1шт.

11

01010-31030

BOLT

SN: 50001-(84238)

3шт.

12

01643-31032

WASHER

SN: 50001-(84238)

3шт.

Выбрано товаров: 0