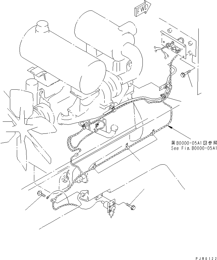
Запчасти Komatsu WA320-3 ЗАДН. Э/ПРОВОДКА (ДВИГАТЕЛЬ МАСЛ. ОБОГРЕВАТЕЛЬ. Э/ПРОВОДКА ЭЛЕМЕНТЫ КРЕПЛЕНИЯ) (МОРОЗОУСТОЙЧИВ. СПЕЦИФИКАЦИЯ.) ЭЛЕКТРИКА

Схема запчастей Komatsu WA320-3 - ЗАДН. Э/ПРОВОДКА (ДВИГАТЕЛЬ МАСЛ. ОБОГРЕВАТЕЛЬ. Э/ПРОВОДКА ЭЛЕМЕНТЫ КРЕПЛЕНИЯ)     (МОРОЗОУСТОЙЧИВ. СПЕЦИФИКАЦИЯ.) ЭЛЕКТРИКА
1
2
3
4
5
FIT
1:1
100%

Артикул

Название

Примечание

Количество

1

01435-01220

BOLT

SN: 53001-UP

3шт.

2

01435-01016

BOLT

SN: 53001-UP

2шт.

3

08036-01414

CLIP

SN: 53001-UP

3шт.

4

01435-01016

BOLT

SN: 53001-UP

1шт.

5

08034-20834

BAND

SN: 53001-UP

3шт.

Выбрано товаров: 5