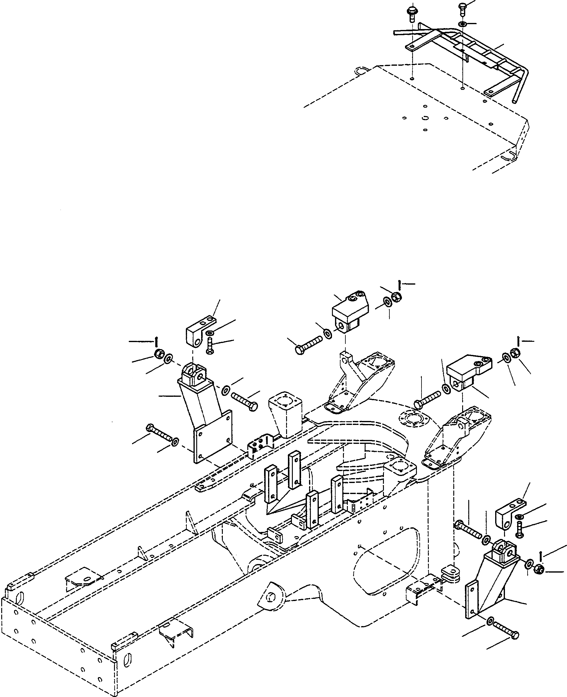
Запчасти Komatsu WA320-3 R.O.P.S. НАВЕС, ATTACHING ЧАСТИ ПРИВОДRS КАБИНА

Схема запчастей Komatsu WA320-3 - R.O.P.S. НАВЕС, ATTACHING ЧАСТИ ПРИВОДRS КАБИНА
21
2
19
20
18
16
17
12
5
15
10
14
15
11
17
9
15
8
14
7
7
16
6
15
1
13
3
5
6
10
7
11
9
8
7
1
2
3
4
FIT
1:1
100%

Артикул

Название

Примечание

Количество

1

419-928-2130

CONSOLE

DeutschDesc: KONSOLE

2шт.

2

01643-32460

PLAIN WASHER

DeutschDesc: UNTERLEGSCHEIBE

8шт.

3

01010-32475

SCREW

DeutschDesc: SCHRAUBE

8шт.

4

419-54-24630

PLATE

DeutschDesc: PLATTE

4шт.

5

419-928-2170

BRACKET

DeutschDesc: HALTER

2шт.

6

01013-53050

SCREW

DeutschDesc: SCHRAUBE

2шт.

7

01643-33080

PLAIN WASHER

DeutschDesc: UNTERLEGSCHEIBE

4шт.

8

01590-33033

CASTLE NUT

DeutschDesc: KRONENMUTTER

2шт.

9

04050-16055

COTTER

DeutschDesc: SPLINT

2шт.

10

01643-32060

PLAIN WASHER

DeutschDesc: UNTERLEGSCHEIBE

8шт.

11

01011-32000

SCREW

DeutschDesc: SCHRAUBE

8шт.

12

419-928-2150

BRACKET

EnglischBem: LEFT

1шт.

13

419-928-2160

BRACKET

EnglischBem: RIGHT

1шт.

14

01013-53050

SCREW

DeutschDesc: SCHRAUBE

2шт.

15

01643-33080

PLAIN WASHER

DeutschDesc: UNTERLEGSCHEIBE

4шт.

16

01590-33033

CASTLE NUT

DeutschDesc: KRONENMUTTER

2шт.

17

04050-16055

COTTER

DeutschDesc: SPLINT

2шт.

18

419-927-2110

PROTECTOR

DeutschDesc: SCHUTZ

1шт.

19

01010-51635

SCREW

DeutschDesc: SCHRAUBE

1шт.

20

01643-31645

PLAIN WASHER

DeutschDesc: UNTERLEGSCHEIBE

2шт.

21

01435-01225

SCREW

DeutschDesc: SCHRAUBE

2шт.

Выбрано товаров: 21