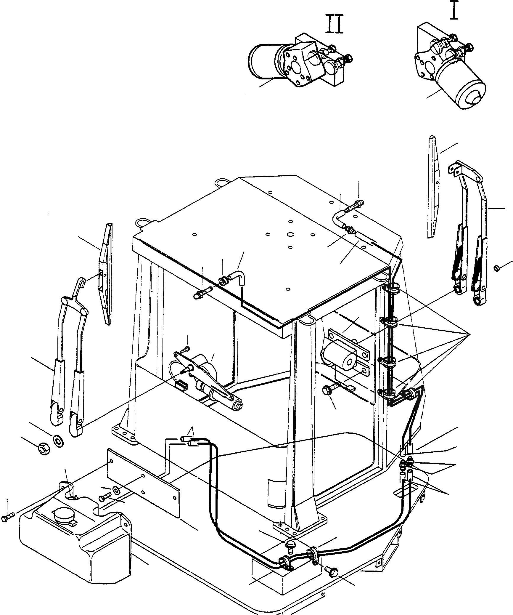
Запчасти Komatsu WA320-3 WINDЗАЩИТН.-ДВОРНИКИ - ОМЫВАТЕЛЬ СИСТЕМА ЭЛЕКТРИЧ. СИСТЕМА

Схема запчастей Komatsu WA320-3 - WINDЗАЩИТН.-ДВОРНИКИ - ОМЫВАТЕЛЬ СИСТЕМА ЭЛЕКТРИЧ. СИСТЕМА
18A
25
28
18
22
14
16
20
12
13
15
14
21
11
18
24
17
23
26
7
19
12
27
11
2
10
5
6
7
4
9
8
3
1
8
9
FIT
1:1
100%

Артикул

Название

Примечание

Количество

1

421-07-H6110

CONTAINER

DeutschDesc: BEHAELTER

1шт.

2

421-07-H6120

PUMP

DeutschDesc: PUMPE

2шт.

3

421-07-H6130

BRACKET

DeutschDesc: HALTER

1шт.

4

01220-40616

SCREW

DeutschDesc: SCHRAUBE

2шт.

5

01643-30623

PLAIN WASHER

DeutschDesc: UNTERLEGSCHEIBE

2шт.

6

418-Z65-H060

SCREW

DeutschDesc: SCHRAUBE

2шт.

7

423-00-H0790

HOSE

EnglischBem: 340 CM

2шт.

8

08036-11210

CLIP

DeutschDesc: SCHELLE

2шт.

9

01435-01020

SCREW

DeutschDesc: SCHRAUBE

2шт.

10

421-07-H6160

CONNECTION

DeutschDesc: VERBINDUNG

2шт.

11

423-00-H0790

HOSE

EnglischBem: 170 CM

1шт.

12

423-00-H0790

HOSE

EnglischBem: 170 CM

1шт.

13

08037-01008

SPOUT

DeutschDesc: TUELLE

1шт.

14

421-56-H0P99

NOZZLE

DeutschDesc: DUESE

2шт.

15

421-07-H6160

CONNECTION

DeutschDesc: VERBINDUNG

1шт.

16

423-00-H0790

HOSE

EnglischBem: 65 CM

1шт.

17

421-54-15520

CLIP

DeutschDesc: SCHELLE

5шт.

18

421-56-H0P78

WIPER MOTOR

EnglischBem: EXECUTION I

1шт.

18A

421-56-H0S02

WIPER MOTOR

EnglischBem: EXECUTION II

1шт.

19

01435-00616

SCREW

DeutschDesc: SCHRAUBE

4шт.

20

421-56-H0P76

WIPER ARM

DeutschDesc: WISCHERARM

1шт.

21

01582-11008

NUT

DeutschDesc: MUTTER

1шт.

22

421-56-H0P77

WIPER BLADE

DeutschDesc: WISCHERBLATT

1шт.

23

421-56-H0P84

WIPER MOTOR

DeutschDesc: WISCHERMOTOR

1шт.

24

01435-00812

SCREW

DeutschDesc: SCHRAUBE

2шт.

25

421-56-H0P86

WIPER ARM

DeutschDesc: WISCHERARM

1шт.

26

01642-20608

PLAIN WASHER

DeutschDesc: UNTERLEGSCHEIBE

1шт.

27

01580-10605

NUT

DeutschDesc: MUTTER

1шт.

28

421-56-H0P85

WIPER BLADE

DeutschDesc: WISCHERBLATT

1шт.

Выбрано товаров: 29