Запчасти Komatsu WA320-3CS ТОПЛИВН. ЛИНИЯ(ТОПЛИВН. ФИЛЬТР. И ТРУБЫ)(С DUST SEPARATE ТОПЛИВН. ФИЛЬТР.) ТОПЛИВН. БАК. AND КОМПОНЕНТЫ

Схема запчастей Komatsu WA320-3CS - ТОПЛИВН. ЛИНИЯ(ТОПЛИВН. ФИЛЬТР. И ТРУБЫ)(С DUST SEPARATE ТОПЛИВН. ФИЛЬТР.) ТОПЛИВН. БАК. AND КОМПОНЕНТЫ
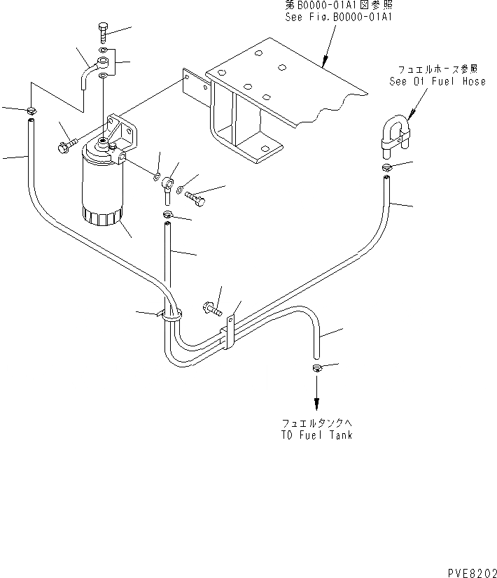
1
2
3
4
5
5
6
7
8
9
9
10
10
11
11
12
12
13
14
15
FIT
1:1
100%

Артикул

Название

Примечание

Количество

1

600-311-9101

FUEL FILTER ASS'Y

SN: 50001-UP

1шт.

1

600-311-9121

CARTRIDGE

SN: 50001-UP

1шт.

1

6138-71-6110

BRACKET

SN: 50001-UP

1шт.

1

6110-73-6231

PLUG

SN: 50001-UP

1шт.

1

07005-00812

SEAL, WASHER

SN: 50001-UP

1шт.

2

01435-01030

BOLT

SN: 50001-UP

2шт.

3

421-04-11130

TUBE

SN: 50001-UP

1шт.

4

07206-31014

BOLT,JOINT

SN: 50001-UP

1шт.

5

07005-01412

SEAL, WASHER

SN: 50001-UP

2шт.

6

423-Z00-1120

TUBE

SN: 50001-UP

1шт.

7

07206-31014

BOLT,JOINT

SN: 50001-UP

1шт.

8

07005-01412

SEAL, WASHER

SN: 50001-UP

2шт.

9

07270-41013

TUBE

SN: 50001-UP

1шт.

10

11Y-09-11170

CLIP

SN: 54136-UP

2шт.

10

07281-00197

CLAMP

SN: 50001-54135

2шт.

11

07270-41012

TUBE

SN: 50001-UP

1шт.

12

11Y-09-11170

CLIP

SN: 54136-UP

2шт.

12

07281-00197

CLAMP

SN: 50001-54135

2шт.

13

04435-51510

CLIP

SN: 50001-UP

1шт.

14

01435-01016

BOLT

SN: 50001-UP

1шт.

15

08034-00519

BAND

SN: 50001-UP

1шт.

Выбрано товаров: 21