Запчасти Komatsu WA320-3L FIG. K7-A КОНДИЦ. ВОЗДУХА - КОМПРЕССОР И КРЕПЛЕНИЕ КАБИНА ОПЕРАТОРА И СИСТЕМА УПРАВЛЕНИЯ

Схема запчастей Komatsu WA320-3L - FIG. K7-A КОНДИЦ. ВОЗДУХА - КОМПРЕССОР И КРЕПЛЕНИЕ КАБИНА ОПЕРАТОРА И СИСТЕМА УПРАВЛЕНИЯ
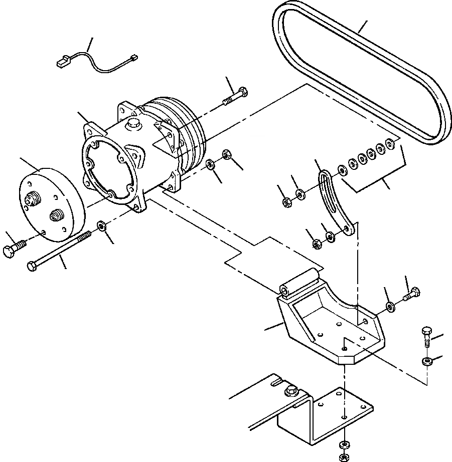
18
19
11
1
2
7
12
10
13
9
14
16
17
3
9
15
8
16
4
5
6
FIT
1:1
100%

Артикул

Название

Примечание

Количество

|$0

417-963-A290

COMPRESSOR ASSEMBLY, REFIGERANT

SN: A30001--UP

1шт.

1

1303 641 H1

COMPRESSOR, REFRIGERANT - R134A

SN: A30001--UP

1шт.

2

419-963-AB40

COVER, REAR

SN: A30001--UP

1шт.

3

NSS

BOLT, REAR COVER

SN: A30001--UP

5шт.

4

423-963-A270

BRACKET, COMPRESSOR MOUNT

SN: A30001--UP

1шт.

5

01010-51035

BOLT

SN: A30001--UP

4шт.

6

01643-31032

WASHER

SN: A30001--UP

4шт.

7

423-963-A280

BRACKET, BELT TENSIONER

SN: A30001--UP

1шт.

8

01011-51030

BOLT

SN: A30001--UP

1шт.

9

01643-31032

WASHER

SN: A30001--UP

2шт.

10

01598-01011

NUT

SN: A30001--UP

1шт.

11

01010-50835

BOLT

SN: A30001--UP

1шт.

12

01643-30823

WASHER

SN: A30001--UP

2шт.

13

01580-10806

NUT

SN: A30001--UP

1шт.

14

419-963-AB60

SHIM KIT

SN: A30001--UP

1шт.

|$15

425-963-A430

SHIM, .005 IN.

SN: A30001--UP

2шт.

|$16

425-963-A420

SHIM, .010 IN.

SN: A30001--UP

2шт.

|$17

425-963-A410

SHIM, .015 IN.

SN: A30001--UP

2шт.

15

01010-51030

BOLT

SN: A30001--UP

1шт.

16

01643-31030

WASHER

SN: A30001--UP

2шт.

17

01580-11008

NUT

SN: A30001--UP

1шт.

18

419-963-AB70

BELT, A.C. COMPRESSOR

SN: A30001--UP

1шт.

19

425-963-A460

HARNESS, A.C. COMPRESSOR

SN: A30001--UP

1шт.

|$23

419-963-AB50

KIT, COMPRESSOR MOUNTING

SN: A30001--UP

1шт.

|$24

-1шт.

|$25

F1 INCLUDED IN MOUNTING KIT 419-963-AB50.

-1шт.

|$26

-1шт.

Выбрано товаров: 27