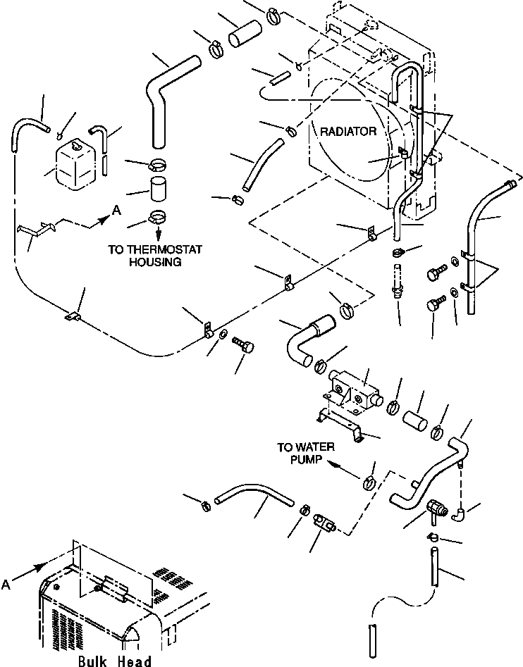
Запчасти Komatsu WA320-3L FIG. C-A СИСТЕМА ТРУБ РАДИАТОРА СИСТЕМА ОХЛАЖДЕНИЯ

Схема запчастей Komatsu WA320-3L - FIG. C-A СИСТЕМА ТРУБ РАДИАТОРА СИСТЕМА ОХЛАЖДЕНИЯ
3
2
3
1
30
29
29
30
28
11
35
10
5
18
33
4
11
37
12
26
5
27
34
12
22
12
8
12
9
24
36
8
23
31
14
8
13
7
8
6
32
8
21
25
20
15
21
16
19
17
FIT
1:1
100%

Артикул

Название

Примечание

Количество

1

419-03-A1140

TUBE

SN: A30001--UP

1шт.

2

419-03-11540

HOSE

SN: A30001--UP

1шт.

3

690 098 C1

HOSE CLAMP

SN: A30001--UP

2шт.

4

419-03-11540

HOSE

SN: A30001--UP

1шт.

5

690 098 C1

HOSE CLAMP

SN: A30001--UP

2шт.

6

419-03-A1220

TUBE

SN: A30001--UP

1шт.

7

419-03-10130

HOSE

SN: A30001--UP

1шт.

8

690 063 C1

CLAMP

SN: A30001--UP

5шт.

9

419-03-A1150

HOSE

SN: A30001--UP

1шт.

10

07260-20980

HOSE

SN: A30001--UP

1шт.

11

07281-00167

CLAMP

SN: A30001--UP

2шт.

12

08036-01414

CLIP

SN: A30001--UP

4шт.

13

01010-81016

BOLT

SN: A30001--UP

3шт.

14

01643-31032

WASHER

SN: A30001--UP

3шт.

15

07730-30004

VALVE

SN: A30001--UP

1шт.

16

07281-00259

CLAMP

SN: A30001--UP

1шт.

17

07260-21490

HOSE

SN: A30001--UP

1шт.

18

935 522 C1

BAND

SN: A30001--UP

1шт.

19

864 462 R1

ELBOW

SN: A30001--UP

1шт.

20

364 360 C1

HOSE

SN: A30001--UP

1шт.

21

07281-00259

CLAMP

SN: A30001--UP

2шт.

22

04434-53211

CLIP

SN: A30001--UP

2шт.

23

01010-51012

BOLT

SN: A30001--UP

2шт.

24

01643-31032

WASHER

SN: A30001--UP

2шт.

25

108 686

ELBOW

SN: A30001--UP

1шт.

26

07270-41014

TUBE

SN: A30001--UP

1шт.

27

07281-00167

CLAMP

SN: A30001--UP

1шт.

28

08036-11214

CLIP

SN: A30001--UP

2шт.

29

423-03-22130

HOSE

SN: A30001--UP

1шт.

30

206-03-43340

CLIP

SN: A30001--UP

2шт.

31

419-03-A1170

COOLER, HYDRAULIC OIL

SN: A30001--UP

1шт.

|$31

01010-51225

BOLT

SN: A30001--UP

2шт.

|$32

01643-31232

WASHER

SN: A30001--UP

2шт.

32

419-03-21410

BRACKET

SN: A30001--UP

1шт.

|$34

01010-51225

BOLT

SN: A30001--UP

4шт.

|$35

01643-31232

WASHER

SN: A30001--UP

4шт.

33

419-03-21320

TANK, HYDRAULIC RESERVOIR

SN: A30001--UP

1шт.

|$37

421-03-22170

CAP

SN: A30001--UP

1шт.

34

419-03-22210

BRACKET, TANK MOUNTING

SN: A30001--UP

1шт.

|$39

01435-01016

BOLT

SN: A30001--UP

2шт.

35

421-03-11980

HOSE

SN: A30001--UP

1шт.

36

NIPPLE (SEE FIG. D0100-01A0)

SN: A30001--UP

1шт.

37

364 360 C1

HOSE (42 IN.)

SN: A30001--UP

1шт.

Выбрано товаров: 0