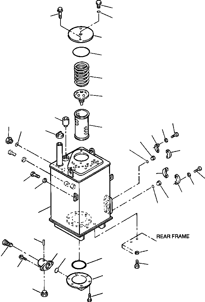
Запчасти Komatsu WA320-3MC FIG NO. H-A ГИДР. БАК. ГИДРАВЛИКА

Схема запчастей Komatsu WA320-3MC - FIG NO. H-A ГИДР. БАК. ГИДРАВЛИКА
16
15
17
18
19
20
21
14
32
12
35
22
13
2
26
27
28
26
29
34
24
33
25
29
30
31
1
8
25
6
10
5
7
23
11
3
9
4
FIT
1:1
100%

Артикул

Название

Примечание

Количество

1

419-60-A1310

TANK, HYDRAULIC RESERVOIR

1шт.

2

07092-01000

CAP

1шт.

|$2

07051-00003

GASKET

1шт.

3

425-60-15230

COVER

1шт.

4

01435-01025

BOLT

1шт.

5

07000-15200

O-RING

1шт.

|$6

426-60-15150

VALVE ASSEMBLY

1шт.

6

6693-22-5610

BODY VALVE

1шт.

7

6693-22-5620

VALVE

1шт.

8

04020-00514

PIN, DOWEL

1шт.

9

426-60-15160

PLUG

1шт.

10

07000-73028

O-RING

1шт.

11

01435-01025

BOLT

2шт.

12

421-60-11622

GAUGE, SIGHT

1шт.

13

07002-14234

O-RING

1шт.

14

657 882 C91

VALVE, RELIEF

1шт.

15

01435-01025

BOLT

2шт.

16

424-60-15150

PLUG

1шт.

17

07000-12010

O-RING

1шт.

18

419-60-15350

COVER

1шт.

19

07000-15175

O-RING

1шт.

20

195-60-16330

SPRING

1шт.

21

419-60-25410

VALVE ASSEMBLY

1шт.

22

07063-01142

ELEMENT

1шт.

23

01010-61635

BOLT

2шт.

24

01010-61630

BOLT

2шт.

25

01643-31645

WASHER

4шт.

26

07371-31049

FLANGE, SPLIT

2шт.

27

07378-11000

HEAD, SLEEVE

1шт.

28

07000-13032

O-RING

1шт.

29

07371-31465

FLANGE, SPLIT

2шт.

30

07378-11400

HEAD, SLEEVE

1шт.

31

07000-13048

O-RING

1шт.

32

07372-21030

BOLT

4шт.

33

01643-51232

WASHER

4шт.

34

07372-21240

BOLT

4шт.

35

01643-51032

WASHER

4шт.

Выбрано товаров: 37