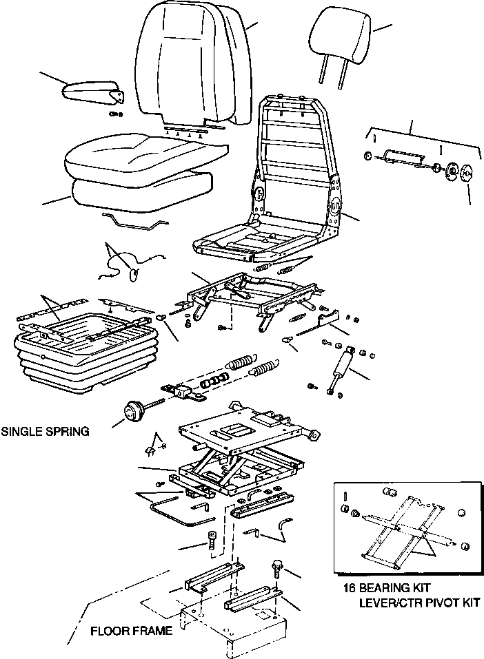
Запчасти Komatsu WA320-3MC FIG NO. K-A СИДЕНЬЕ ОПЕРАТОРА КАБИНА ОПЕРАТОРА И СИСТЕМА УПРАВЛЕНИЯ

Схема запчастей Komatsu WA320-3MC - FIG NO. K-A СИДЕНЬЕ ОПЕРАТОРА КАБИНА ОПЕРАТОРА И СИСТЕМА УПРАВЛЕНИЯ
4
18
19
3
5
7
1
9
8
6
15
2
7
7
10
12
11
13
14
14
23
17
16
22
21
17
20
FIT
1:1
100%

Артикул

Название

Примечание

Количество

|$0

423-960-A030

SEAT ASSEMBLY (515, CLOTH COVERED)

1шт.

|$1

423-960-A050

SEAT ASSEMBLY (515, VINYL COVERED)

1шт.

|$2

421-960-A210

KIT, UPPER ASSEMBLY

1шт.

1

195-57-A0200

KIT, FRAME ASSEMBLY

1шт.

2

195-57-A0900

KIT, HEIGHT RISER LATCH

1шт.

3

195-57-A0220

KIT, LUMBAR SUPPORT

1шт.

4

195-57-A0300

KIT, BACK FOAM

1шт.

|$7

421-960-A220

KIT, BACK COVER

1шт.

5

195-57-A0500

KIT, SEAT FOAM

1шт.

|$9

195-57-A0400

KIT, SEAT COVER

1шт.

6

195-57-A0800

KIT, HEIGHT RISER ASSEMBLY

1шт.

7

421-960-A360

KIT, HANDLE

1шт.

8

195-57-A0010

KIT, HEIGHT RISER SPRING

1шт.

9

206-57-A1470

KIT, RECLINER CABLE

1шт.

10

421-960-A310

KIT, DAMPER

1шт.

11

195-57-A0210

KIT, WEIGHT ADJUSTER

1шт.

12

195-57-A0310

KIT, UPSTOP/BUMP STOP

1шт.

13

421-960-A340

KIT, SUSPENSION ASSEMBLY

1шт.

14

421-960-A350

KIT, SLIDERAIL

1шт.

15

421-960-A370

KIT, SUSPENSION COVER

1шт.

16

195-57-A0020

KIT, BEARING (SINGLE SPRING)

1шт.

17

195-57-A0120

KIT, LEVER/CENTER PIVOT

1шт.

18

195-57-A0420

KIT, HEADREST

1шт.

19

421-960-A430

KIT, ARMREST (LH)

1шт.

|$24

421-960-A440

KIT, ARMREST (RH)

1шт.

20

421-960-A111

BRACKET (LH)

1шт.

21

421-960-A121

BRACKET (RH)

1шт.

22

01435-01225

BOLT

4шт.

23

01252-70820

BOLT

4шт.

|$$30

-1шт.

|$30

F1 SAME AS 423-960-A050 EXCEPT FOR CLOTH UPHOLSTERY

-1шт.

|$$32

-1шт.

|$32

F2 SAME AS 423-960-A030 EXCEPT FOR VINYL UPHOLSTERY

-1шт.

|$$34

-1шт.

|$$35

-1шт.

|$35

-1шт.

Выбрано товаров: 36