Запчасти Komatsu WA320-3MC FIG NO. K-7A КАБИНА ЭЛЕКТРИКА КАБИНА ОПЕРАТОРА И СИСТЕМА УПРАВЛЕНИЯ

Схема запчастей Komatsu WA320-3MC - FIG NO. K-7A КАБИНА ЭЛЕКТРИКА КАБИНА ОПЕРАТОРА И СИСТЕМА УПРАВЛЕНИЯ
10
9
14
13
16
15
17
11
25
29
12
5
13
8
14
7
5
6
4
8
7
28
26
31
3
1
2
19
23
35
20
21
32
24
33
22
18
20
34
27
30
FIT
1:1
100%

Артикул

Название

Примечание

Количество

|$0

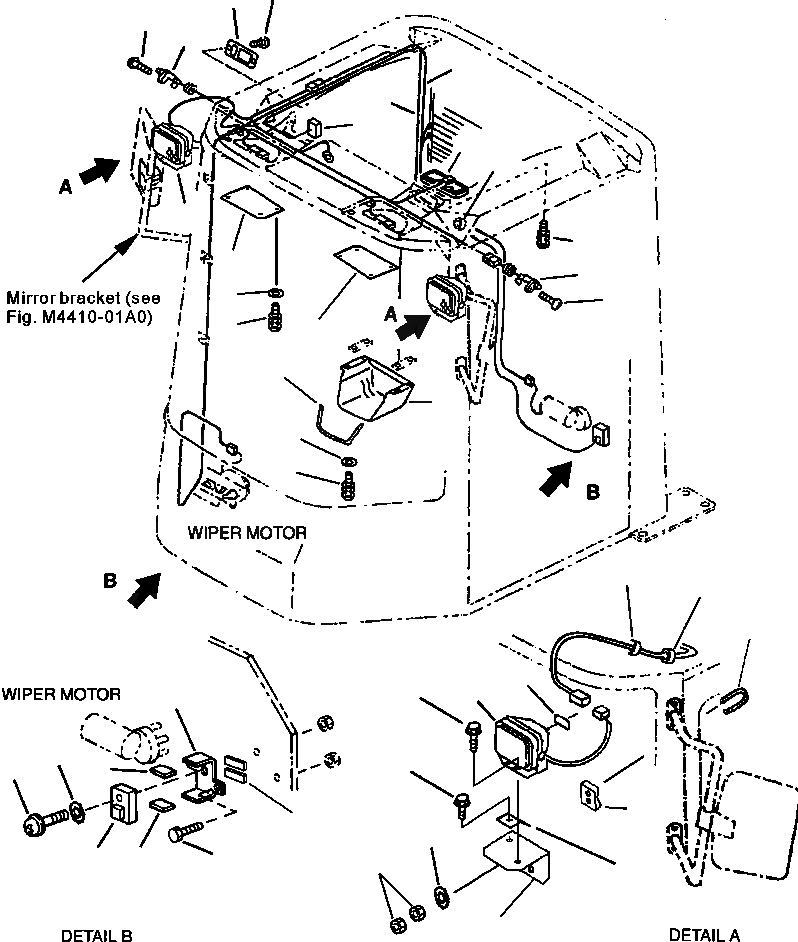
CAB ASSEMBLY (SEE PG K-008)

-29шт.

1

421-06-23360

LAMP ASSEMBLY, WORK

2шт.

|$2

421-06-23320

LENS

1шт.

|$3

421-06-23330

BULB, 70W

1шт.

2

01435-01220

BOLT

2шт.

3

421-56-21680

FASTENER

4шт.

4

421-56-21330

COVER, L.H

1шт.

5

424-926-A350

PLATE

2шт.

6

421-56-21350

SEAL

1шт.

7

01023-70512

SCREW

8шт.

8

01642-40608

WASHER

8шт.

9

421-56-21420

PANEL, SWITCH

2шт.

10

01224-70516

SCREW

4шт.

11

421-06-26210

LAMP ASSEMBLY, ROOM

1шт.

|$14

421-06-26250

LENS

2шт.

|$15

421-06-26260

BULB

2шт.

12

01023-70512

SCREW

2шт.

13

421-56-21730

SWITCH, DOOR

2шт.

14

01220-70512

SCREW

2шт.

15

424-926-2320

WIRING HARNESS

1шт.

16

417-06-A1350

WIRING HARNESS, DEFROSTER

1шт.

17

417-06-A1400

SWITCH

1шт.

18

417-06-A1370

TIMER

1шт.

19

419-926-AC70

PLATE, HOLDER

1шт.

20

419-926-AC80

SHEET, RUBBER

2шт.

21

01023-60535

SCREW

1шт.

22

01435-00610

BOLT

2шт.

23

01643-30623

WASHER, FLAT

1шт.

24

421-09-12780

CUSHION, STRIP

2шт.

25

423-975-1140

CAP

2шт.

26

09415-01008

GROMMET

2шт.

|$96

-1шт.

|$32

F1 - VEHICLE WITH OPTIONAL RADIO

-1шт.

|$97

-1шт.

27

08053-01510

CLIP

2шт.

28

421-54-15520

CLIP

2шт.

29

425-56-21110

BRACKET, R.H

1шт.

30

425-56-21120

BRACKET, L.H

1шт.

31

07283-32746

U-BOLT

2шт.

32

07283-52737

SEAT

2шт.

33

01643-31032

WASHER

4шт.

34

01580-01510

NUT

8шт.

35

01435-01020

BOLT

2шт.

Выбрано товаров: 43