Запчасти Komatsu WA320-3MC ГОЛОВКА ЦИЛИНДРОВ ДВИГАТЕЛЬ - SADE-

Схема запчастей Komatsu WA320-3MC - ГОЛОВКА ЦИЛИНДРОВ ДВИГАТЕЛЬ - SADE-
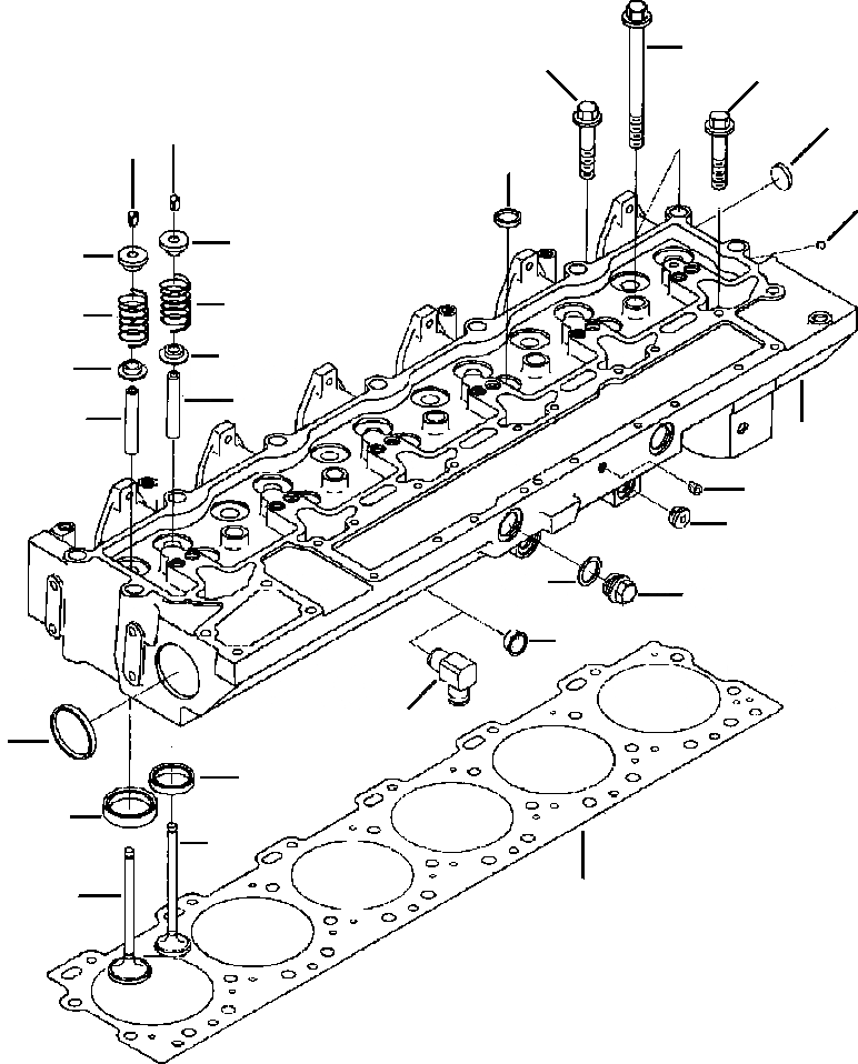
25
24
24
2
15
13
3
8
19
19
18
18
20
11
5
5
1
9
10
16
17
21
22
4
6
7
14
23
12
FIT
1:1
100%

Артикул

Название

Примечание

Количество

|$0

6742-01-0430

HEAD, CYLINDER

1шт.

1

NSS

HEAD, CYLINDER

1шт.

2

1296 803 H1

PLUG, EXPANSION

1шт.

3

6742-01-2920

PLUG, EXPANSION

5шт.

4

6736-21-1810

PLUG, EXPANSION

2шт.

5

6742-01-3240

GUIDE, VALVE STEM

12шт.

6

1307 586 H1

INSERT, VALVE - EXHAUST

6шт.

7

1241 223 H2

INSERT, VALVE - INTAKE

6шт.

8

6742-01-2960

PLUG, PIPE (1/16 - 27)

1шт.

9

6732-61-2240

PLUG, PIPE (1/4 NPT)

1шт.

10

6732-11-1910

PLUG, PIPE (1/2 NPT)

1шт.

11

6742-01-0870

SEAL, VALVE STEM - INTAKE

6шт.

|$12

1296 823 H1

VALVE ASSEMBLY, INTAKE

6шт.

12

NSS

VALVE, INTAKE

1шт.

13

6742-01-2990

COLLET, VALVE

2шт.

|$15

6742-01-3000

VALVE ASSEMBLY, EXHAUST

6шт.

14

NSS

VALVE, EXHAUST

1шт.

15

6742-01-2990

COLLET, VALVE

2шт.

16

6732-21-5170

WASHER, SEALING

2шт.

17

6736-21-5320

PLUG, THREADED

2шт.

18

6742-01-3020

SPRING, VALVE

12шт.

19

6742-01-3030

RETAINER, VALVE SPRING

12шт.

20

1242 032 H1

SEAL, VALVE STEM - EXHAUST

6шт.

21

6742-01-3250

PLUG, EXPANSION

1шт.

22

1294 847 H2

COUPLING, ELBOW HOSE

1шт.

23

6742-01-5030

GASKET, CYLINDER HEAD

1шт.

24

6742-01-3270

BOLT (M14-2.00x80)

12шт.

25

6742-01-3280

BOLT (M14-2.00x160)

14шт.

|$$29

-1шт.

|$29

SERVICE PARTS

-1шт.

|$30

6742-01-4000

GASKET, CYLINDER HEAD 0.25mm OVERSIZE

1шт.

|$31

6742-01-5037

GASKET, CYLINDER HEAD 0.50mm OVERSIZE

1шт.

|$$33

-1шт.

|$33

F1 - REPLACES ITEM 21 P/N 6742-01-3250 PLUG WHEN AIR

-1шт.

|$34

COMPRESSOR IS USED.

-1шт.

Выбрано товаров: 35