Качественные детали и логистика
Оригинальные и аналоговые запчасти с доставкой по России, Казахстану и Беларуси
©2022 PartSell ООО "Система" ИНН 2463123282 ОГРН 1212400004838
Центральный офис: г. Красноярск, Академика Киренского, д.87, пом.4
Телефон: 8 (800) 777-65-74 Email: zakaz@partsell.ru
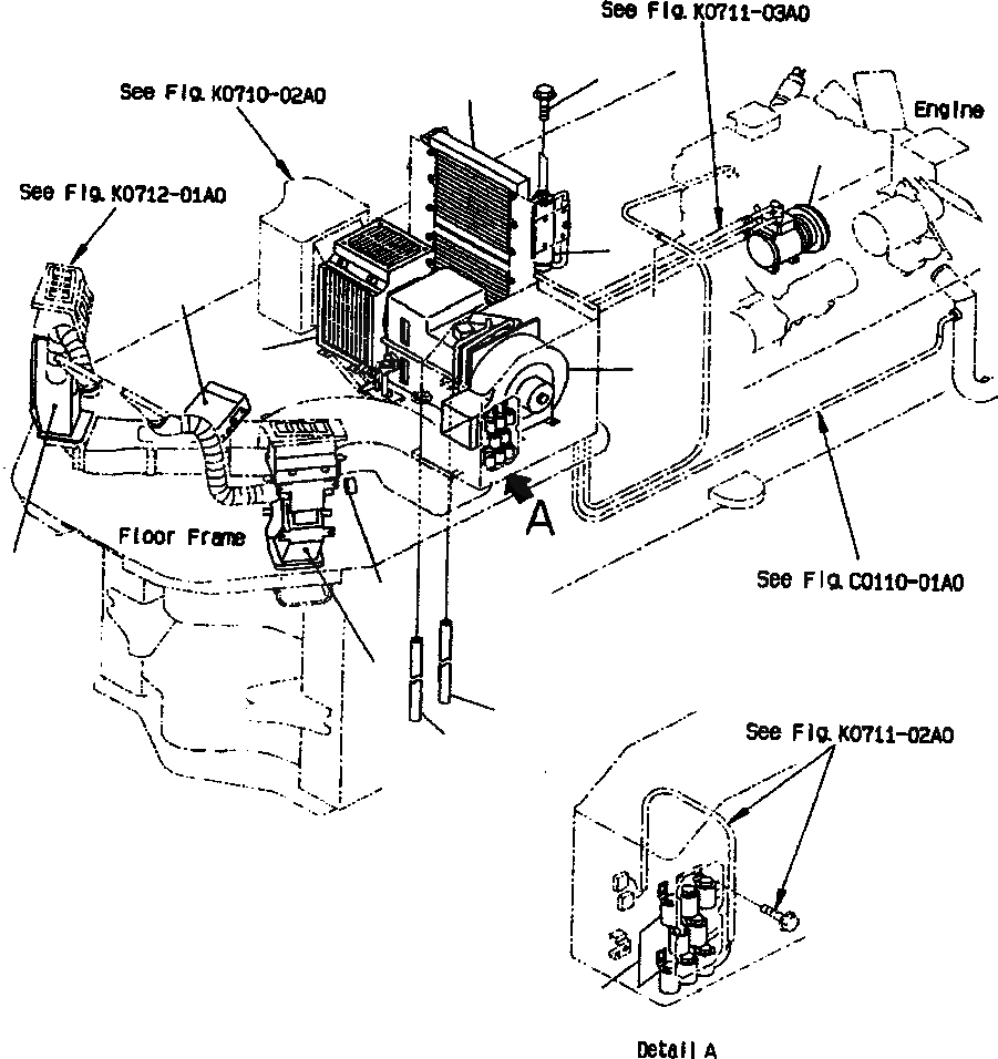
FIG NO. K7-A КОНДИЦ. ВОЗДУХА
№
Артикул
Название
Примечание
Количество
1
DAMPER ASSEMBLY (SEE PG K-066)
-29шт.
2
DUCT ASSEMBLY, AIR (SEE PG K-068)
3
425-07-21160
RELAY
8шт.
4
421-07-21190
CAP
2шт.
5
421-07-21280
HOSE
6
20Y-979-3120
RECEIVER TANK
1шт.
7
01435-00620
BOLT
8
425-07-21111
AIR CONDITIONER UNIT
9
425-07-21121
CONTROLLER
10
AIR COMPRESSOR ASSEMBLY (SEE PG K-070)
11
425-07-21530
CONDENSER ASSEMBLY
Выбрано товаров: 0