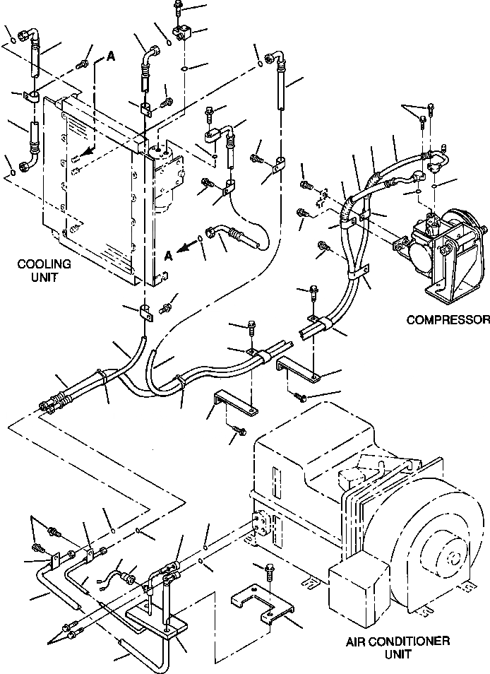
Запчасти Komatsu WA320-3MC FIG NO. K7-A КОНДИЦ. ВОЗДУХА КАБИНА ОПЕРАТОРА И СИСТЕМА УПРАВЛЕНИЯ

Схема запчастей Komatsu WA320-3MC - FIG NO. K7-A КОНДИЦ. ВОЗДУХА КАБИНА ОПЕРАТОРА И СИСТЕМА УПРАВЛЕНИЯ
29
9
4
8
10
2
28
3
11
28
1
25
25
29
20
3
6
1
22
23
7
5
12
32
24
2
21
13
28
25
26
30
32
6
28
7
28
28
27
25
28
8
27
27
1
12
31
32
33
34
31
32
13
28
39
15
14
9
17
16
38
25
14
19
18
36
35
37
18
FIT
1:1
100%

Артикул

Название

Примечание

Количество

1

419-S62-2470

HOSE

1шт.

2

20Y-979-3140

O-RING

2шт.

3

423-S62-2240

HOSE

1шт.

4

20Y-979-3140

O-RING

1шт.

5

20Y-979-3150

O-RING

1шт.

6

423-S62-2271

HOSE

1шт.

7

20Y-979-3150

O-RING

2шт.

8

419-S62-2161

HOSE

1шт.

9

20Y-979-3150

O-RING

2шт.

10

419-S62-2250

JOINT

1шт.

11

20Y-979-3150

O-RING

1шт.

12

419-S62-2480

HOSE

1шт.

13

20Y-979-3130

O-RING

2шт.

14

423-S62-2520

TUBE

1шт.

15

20Y-979-3150

O-RING

1шт.

16

421-07-21810

SWITCH, PRESSURE

1шт.

17

421-07-21820

SWITCH, HARNESS

1шт.

18

423-S62-2530

TUBE

1шт.

19

20Y-979-3130

O-RING

1шт.

20

01435-00630

BOLT

2шт.

21

04434-52212

CLIP

1шт.

22

01435-01016

BOLT

1шт.

23

361-18-21430

PROTECTOR

1шт.

24

415-62-13710

PROTECTOR

1шт.

25

04434-51610

CLIP

5шт.

26

04434-51910

CLIP

1шт.

27

421-07-11550

CLIP

3шт.

28

01435-01016

BOLT

9шт.

29

01435-00625

BOLT

2шт.

30

04434-52110

CLIP

1шт.

31

427-04-11130

PLATE

2шт.

32

01435-01020

BOLT

4шт.

33

08034-20519

SHEET

1шт.

34

306 123 C1

BAND

1шт.

35

01435-00630

BOLT

2шт.

36

421-07-23950

PLATE

1шт.

37

421-07-23980

SHEET

1шт.

38

01435-00610

BOLT

2шт.

39

04434-50810

CLIP

2шт.

Выбрано товаров: 39