Запчасти Komatsu WA320-3MC СИСТЕМА СМАЗКИ МАСЛООХЛАДИТЕЛЬ ДВИГАТЕЛЬ - SADE-

Схема запчастей Komatsu WA320-3MC - СИСТЕМА СМАЗКИ МАСЛООХЛАДИТЕЛЬ ДВИГАТЕЛЬ - SADE-
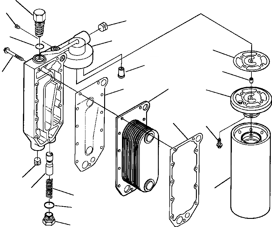
20
5
2
19
17
16
18
13
6
8
10
15
7
14
3
4
9
1
12
11
FIT
1:1
100%

Артикул

Название

Примечание

Количество

1

1241 100 H1

SPRING, COMPRESSION

1шт.

2

6732-11-1920

PLUG, PIPE (3/4 NPTF)

1шт.

3

6742-01-2410

PLUG, PIPE (1/2 NPT)

1шт.

4

1295 155 H1

ELEMENT, LUBRICATING OIL FILTER

1шт.

5

6732-11-1930

PLUG, PIPE (1/8 NPT)

2шт.

6

6742-01-2440

BOLT (M8-1.25x65)

11шт.

7

6742-01-1080

GASKET, OIL COOLER CORE

1шт.

8

6742-01-2450

CORE, ENGINE OIL COOLER

1шт.

9

6742-01-2470

PLUNGER, PRESSURE REGULATOR

1шт.

10

6742-01-2460

GASKET, ENGINE OIL COOLER COVER

1шт.

|$10

6742-01-4220

PLUG, THREADED

1шт.

11

NSS

PLUG, THREADED

1шт.

12

6742-01-5118

O-RING

1шт.

|$13

6742-01-5041

HEAD, ENGINE OIL FILTER

1шт.

13

1238 209 H1

DOWEL, PIN

1шт.

14

6732-21-6610

BOLT (M8-1.25x25)

4шт.

15

6742-01-2500

HEAD, ENGINE OIL FILTER

1шт.

16

6742-01-2490

GASKET, FILTER HEAD

1шт.

17

NSS

COVER, ENGINE OIL COOLER

1шт.

18

6731-61-2150

VALVE, PRESSURE RELIEF

1шт.

|$20

6742-01-5117

VALVE, BYPASS

1шт.

19

6742-01-2420

O-RING

1шт.

20

NSS

VALVE, BYPASS

1шт.

Выбрано товаров: 23