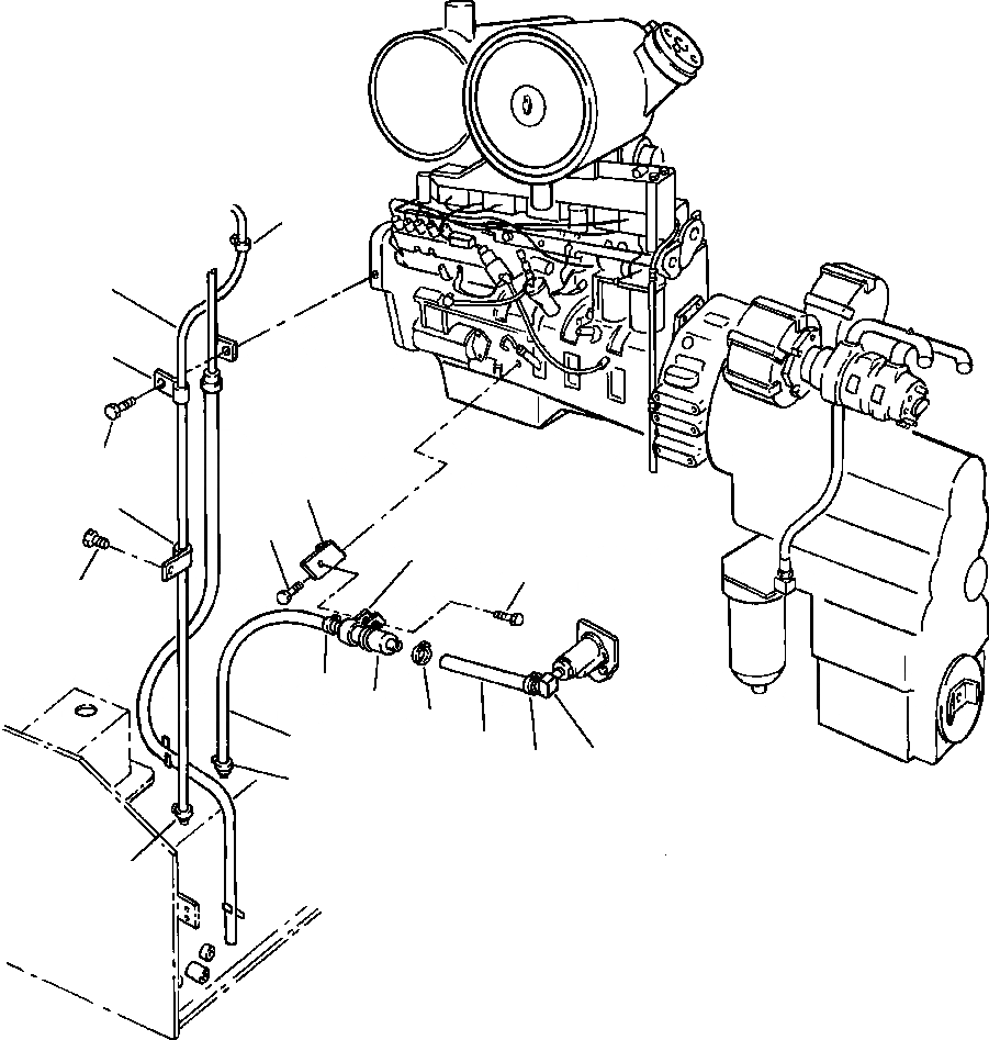
Запчасти Komatsu WA320-3MC FIG NO. D-A ТОПЛИВОПРОВОД. ТОПЛИВН. БАК. AND КОМПОНЕНТЫ

Схема запчастей Komatsu WA320-3MC - FIG NO. D-A ТОПЛИВОПРОВОД. ТОПЛИВН. БАК. AND КОМПОНЕНТЫ
12
11
14
13
5
14
6
4
7
13
2
3
9
1
8
10
9
2
12
FIT
1:1
100%

Артикул

Название

Примечание

Количество

1

419-04-A1140

HOSE (CUT TO LENGTH 18 INCHES LONG)

1шт.

2

07281-00167

CLAMP

2шт.

3

207-04-A1100

STRAINER, FUEL LINE

1шт.

4

23T-62-12160

CLIP, FUEL STRAINER MOUNTING

1шт.

5

425-46-14130

PLATE

1шт.

6

01435-01220

BOLT

1шт.

7

01435-01020

BOLT

1шт.

8

419-04-A1150

HOSE

1шт.

9

07281-00167

CLAMP

2шт.

10

864 457 R1

ELBOW

1шт.

11

419-04-A1190

HOSE

1шт.

12

07281-00167

CLAMP

2шт.

13

01435-01016

BOLT

2шт.

14

04434-51510

CLIP

2шт.

Выбрано товаров: 14