Запчасти Komatsu WA320-5 ГИДР. НАСОС. ГИДРАВЛИКА

Схема запчастей Komatsu WA320-5 - ГИДР. НАСОС. ГИДРАВЛИКА
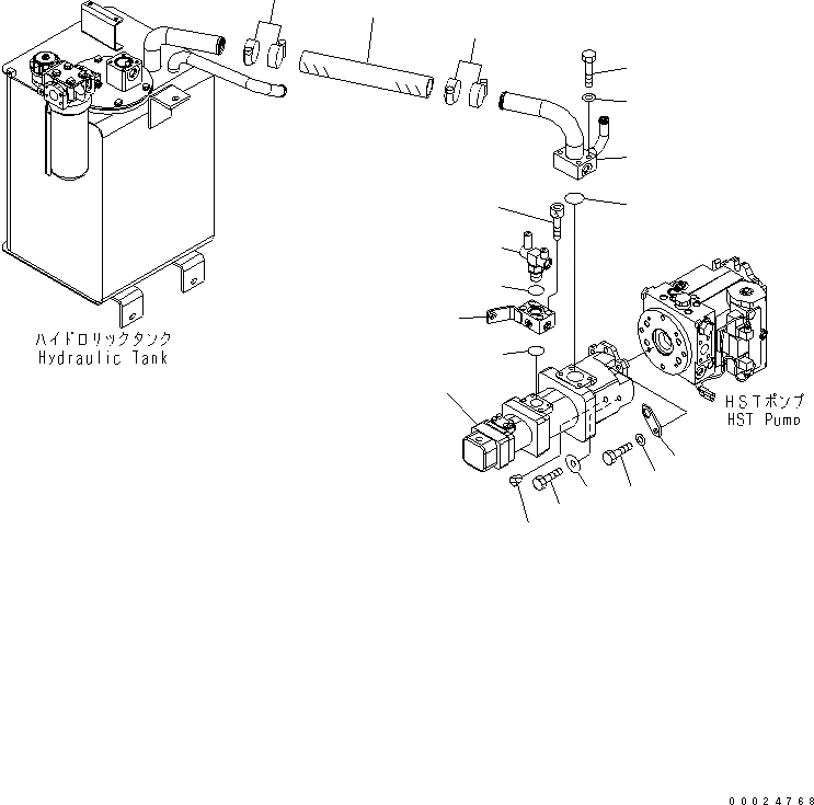
1
2
3
4
5
6
7
8
9
9
10
11
12
13
14
15
16
17
18
FIT
1:1
100%

Артикул

Название

Примечание

Количество

1

705-56-36051

PUMP ASS'Y

SN: 61894-UP

1шт.

1

705-56-36050

PUMP ASS'Y

SN: 60001-61893

1шт.

2

01010-81240

BOLT

SN: 60001-UP

4шт.

3

01010-81650

BOLT

SN: 60001-UP

1шт.

4

01643-31645

WASHER

SN: 60001-UP

1шт.

5

175-54-34170

WASHER

SN: 60001-UP

4шт.

6

419-62-33950

PLATE

SN: 60001-UP

1шт.

7

07049-02025

PLUG

SN: 60001-UP

1шт.

8

419-62-34110

HOSE

SN: 60001-UP

1шт.

9

07289-00070

CLAMP

SN: 60001-UP

4шт.

10

419-62-34212

TUBE

SN: 60001-UP

1шт.

11

07000-12060

O-RING

SN: 60001-UP

1шт.

12

01010-81270

BOLT

SN: 60001-UP

4шт.

13

01643-31232

WASHER

SN: 60001-UP

4шт.

14

419-62-34291

BLOCK

SN: 60001-UP

1шт.

15

07000-13048

O-RING

SN: 60001-UP

1шт.

16

01252-71255

BOLT

SN: 60001-UP

4шт.

17

419-62-34311

TEE

SN: 60001-UP

1шт.

18

07002-13334

O-RING

SN: 60001-UP

1шт.

Выбрано товаров: 19