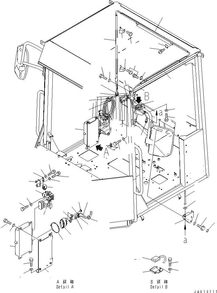
Запчасти Komatsu WA320-5 KOMTRAX КОМПЛЕКТ (ДЛЯ НАВЕСА) КАБИНА ОПЕРАТОРА И СИСТЕМА УПРАВЛЕНИЯ

Схема запчастей Komatsu WA320-5 - KOMTRAX КОМПЛЕКТ (ДЛЯ НАВЕСА) КАБИНА ОПЕРАТОРА И СИСТЕМА УПРАВЛЕНИЯ
1
2
3
4
4
5
6
7
8
9
10
11
12
13
14
15
16
17
18
19
20
21
22
23
24
25
25
26
27
27
27
28
29
30
31
32
33
34
34
35
35
36
36
36
37
38
38
39
39
40
40
41
41
41
42
43
44
45
46
47
48
49
50
51
FIT
1:1
100%

Артикул

Название

Примечание

Количество

1

419-54-42680

BRACKET

SN: 60001-UP

1шт.

2

01010-80816

BOLT

SN: 60001-UP

4шт.

3

01643-30823

WASHER

SN: 60001-UP

4шт.

4

7826-20-7038

CONTROLLER

SN: 60001-UP

1шт.

5

01010-80825

BOLT

SN: 60001-UP

4шт.

6

01643-30823

WASHER

SN: 60001-UP

4шт.

7

418-06-41391

WIRING HARNESS

SN: 60001-UP

1шт.

8

569-06-61960

RELAY

SN: 60001-UP

1шт.

9

287-06-16420

BRACKET

SN: 60001-UP

1шт.

10

01010-80616

BOLT

SN: 60001-UP

1шт.

11

01643-30623

WASHER

SN: 60001-UP

1шт.

12

8A13-80-1110

COVER

SN: 60001-UP

1шт.

13

08034-20536

BAND

SN: 60001-UP

1шт.

14

8A13-80-1120

CAP

SN: 60001-UP

1шт.

15

8A13-80-1130

CAP

SN: 60001-UP

1шт.

16

8A13-80-1140

CAP

SN: 60001-UP

1шт.

17

08034-20414

BAND

SN: 60001-UP

3шт.

18

04434-51010

CLIP

SN: 60001-UP

1шт.

19

01010-81020

BOLT

SN: 60001-UP

1шт.

20

01643-31032

WASHER

SN: 60001-UP

1шт.

21

08034-20519

BAND

SN: 60001-UP

1шт.

22

419-921-3660

BRACKET

SN: 60001-UP

1шт.

23

01010-80840

BOLT

SN: 60001-UP

1шт.

24

01643-30823

WASHER

SN: 60001-UP

1шт.

25

419-921-3650

CABLE ASS'Y

SN: 60001-UP

1шт.

26

08037-01610

GROMMET

SN: 60001-UP

1шт.

27

419-921-3640

ANTENNA,GPS

SN: 60001-UP

1шт.

28

423-923-3520

BRACKET

SN: 60001-UP

1шт.

29

01010-80816

BOLT

SN: 60001-UP

1шт.

30

01643-30823

WASHER

SN: 60001-UP

1шт.

31

418-921-4950

DUCT

SN: 60001-UP

1шт.

32

11Y-978-1290

DUCT

SN: 60001-UP

1шт.

33

418-921-4970

DUCT

SN: 60001-UP

1шт.

34

11Y-978-1280

PLATE

SN: 60001-UP

4шт.

35

418-921-4530

PLATE

SN: 60001-UP

2шт.

36

01023-20610

SCREW

SN: 60001-UP

12шт.

37

04435-50810

CLIP

SN: 60001-UP

2шт.

38

01010-81020

BOLT

SN: 60001-UP

2шт.

39

01643-31032

WASHER

SN: 60001-UP

2шт.

40

20U-54-46520

STICKER

SN: 60001-UP

2шт.

41

08034-20519

BAND

SN: 60001-UP

3шт.

42

04434-50810

CLIP

SN: 60001-UP

3шт.

43

01010-80816

BOLT

SN: 60001-UP

2шт.

44

01643-30823

WASHER

SN: 60001-UP

2шт.

45

08034-20519

BAND

SN: 60001-UP

2шт.

46

8A13-10-2100

ANTENNA,ORBCOM

SN: 60001-UP

1шт.

47

425-S33-4270

WASHER

SN: 60001-UP

1шт.

48

419-921-3680

COVER

SN: 60001-UP

1шт.

49

01435-01020

BOLT

SN: 60001-UP

2шт.

50

01643-31032

WASHER

SN: 60001-UP

2шт.

51

363-54-31450

CAP

SN: 60001-UP

2шт.

Выбрано товаров: 51