Запчасти Komatsu WA320-5 УПРАВЛ-Е ТОРМОЗОМ (ЗАГРУЗОЧН. КЛАПАН) (ДЛЯ КРОМЕ ЯПОН.) КАБИНА ОПЕРАТОРА И СИСТЕМА УПРАВЛЕНИЯ

Схема запчастей Komatsu WA320-5 - УПРАВЛ-Е ТОРМОЗОМ (ЗАГРУЗОЧН. КЛАПАН) (ДЛЯ КРОМЕ ЯПОН.) КАБИНА ОПЕРАТОРА И СИСТЕМА УПРАВЛЕНИЯ
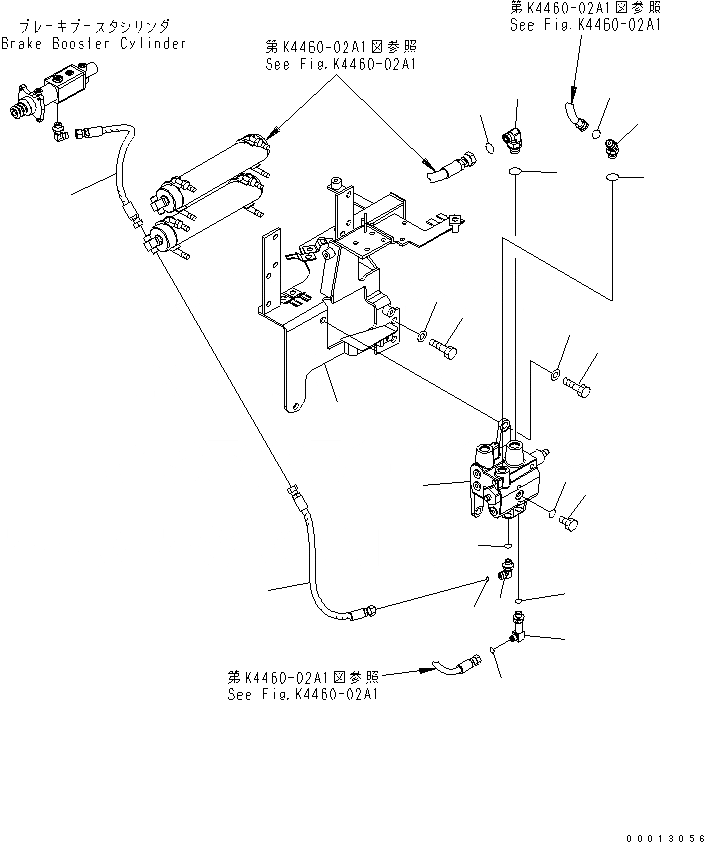
1
2
3
4
5
6
6
7
7
8
9
10
11
12
13
14
15
16
17
18
19
19
FIT
1:1
100%

Артикул

Название

Примечание

Количество

1

419-43-37203

VALVE

SN: 60265-UP

1шт.

1

419-43-37202

CHARGE VALVE ASS'Y

SN: 60001-60264

1шт.

2

07040-11007

PLUG

SN: 60001-UP

1шт.

3

07002-11023

O-RING

SN: 60001-UP

1шт.

4

21W-62-43980

ELBOW

SN: 60001-UP

1шт.

5

21W-62-43990

ELBOW

SN: 60001-UP

1шт.

6

07000-12011

O-RING

SN: 60001-UP

2шт.

7

02896-11008

O-RING

SN: 60001-UP

2шт.

8

418-62-35111

ELBOW

SN: 60001-UP

1шт.

9

07000-12018

O-RING

SN: 60001-UP

1шт.

10

02896-11012

O-RING

SN: 60001-UP

1шт.

11

419-43-37160

ELBOW

SN: 60001-UP

1шт.

12

07000-12014

O-RING

SN: 60001-UP

1шт.

13

02896-11009

O-RING

SN: 60001-UP

1шт.

14

419-43-37651

HOSE

SN: 60001-UP

1шт.

15

02765-B02A5

HOSE

SN: 60001-UP

1шт.

16

419-43-37225

BRACKET

SN: 60001-UP

1шт.

17

01010-81230

BOLT

SN: 60001-UP

2шт.

18

01010-81225

BOLT

SN: 60001-UP

6шт.

19

01643-31232

WASHER

SN: 60001-UP

8шт.

Выбрано товаров: 20