Запчасти Komatsu WA320-5 ЗАДН. Э/ПРОВОДКА (/) (РЕЛЕ¤ ПРЕДОХРАНИТЕЛЬ И SUB Э/ПРОВОДКА) (ДЛЯ ЗАПЫЛЕНН. РАЙОНОВ) ЭЛЕКТРИКА

Схема запчастей Komatsu WA320-5 - ЗАДН. Э/ПРОВОДКА (/) (РЕЛЕ¤ ПРЕДОХРАНИТЕЛЬ И SUB Э/ПРОВОДКА) (ДЛЯ ЗАПЫЛЕНН. РАЙОНОВ) ЭЛЕКТРИКА
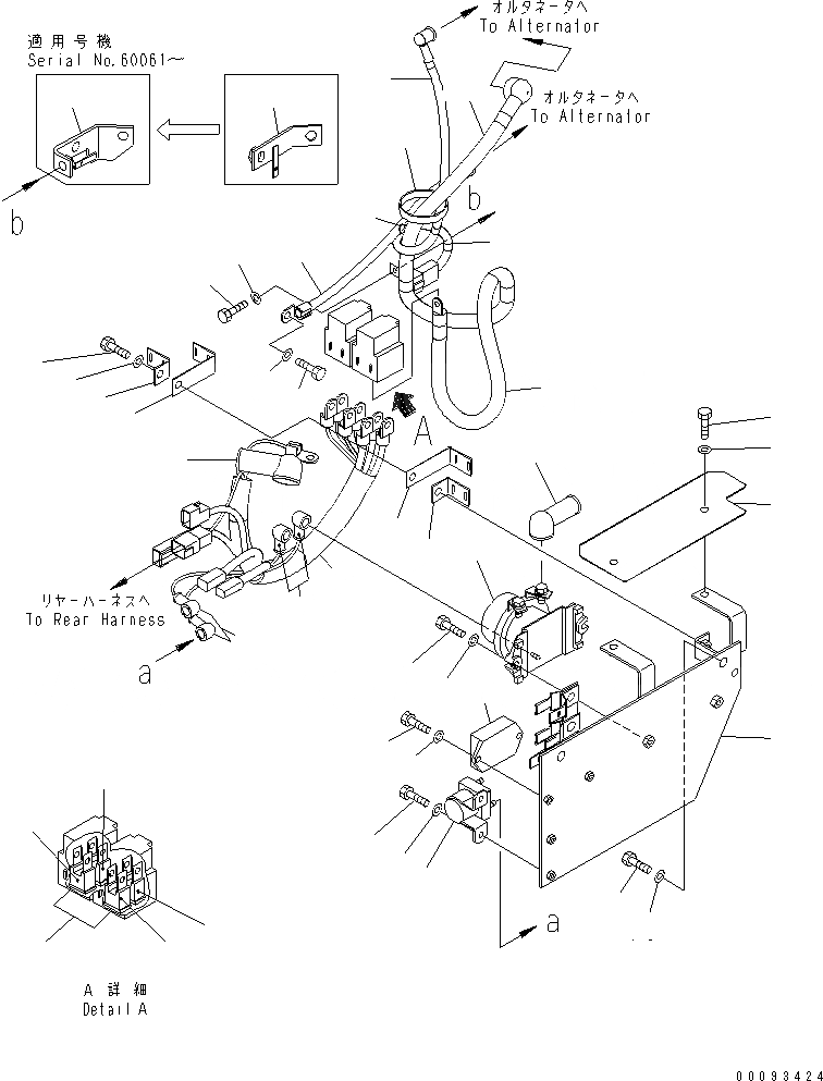
1
2
3
4
5
6
7
8
8
9
10
10
11
11
12
13
14
15
16
17
18
19
20
20
21
22
23
23
24
24
25
26
27
28
28
29
29
30
30
31
32
33
34
35
FIT
1:1
100%

Артикул

Название

Примечание

Количество

1

08088-30000

SWITCH

SN: 60001-UP

1шт.

2

600-815-9270

TIMER

SN: 60001-UP

1шт.

3

600-815-7870

RELAY

SN: 60001-UP

1шт.

4

01010-80830

BOLT

SN: 60001-UP

2шт.

5

01643-30823

WASHER

SN: 60001-UP

2шт.

6

421-06-22830

FUSE, 120A

SN: 60001-UP

1шт.

7

421-06-22820

FUSE, 80A

SN: 60001-UP

1шт.

8

421-06-22840

FUSE, 30A

SN: 60001-UP

2шт.

9

421-06-22880

HOLDER

SN: 60001-UP

2шт.

10

421-06-22910

BRACKET

SN: 60001-UP

2шт.

11

421-06-22920

BRACKET

SN: 60001-UP

2шт.

12

01010-80820

BOLT

SN: 60001-UP

1шт.

13

01643-30823

WASHER

SN: 60001-UP

1шт.

14

418-06-32414

BRACKET

SN: 60001-UP

1шт.

15

01010-81025

BOLT

SN: 60001-60614

2шт.

16

01643-31032

WASHER

SN: 60001-60614

2шт.

17

418-06-31591

COVER

SN: 60001-60614

1шт.

18

01010-80816

BOLT

SN: 60001-60614

2шт.

19

01643-30823

WASHER

SN: 60001-60614

2шт.

20

418-Z91-3281

BRACKET

SN: 60061-60614

1шт.

20

419-Z91-3250

BRACKET

SN: 60001-60060

1шт.

21

01010-81020

BOLT

SN: 60001-60614

1шт.

22

01643-31032

WASHER

SN: 60001-60614

1шт.

23

01010-80616

BOLT

SN: 60001-UP

4шт.

24

01643-30623

WASHER

SN: 60001-UP

4шт.

25

419-06-32332

WIRING HARNESS

SN: 60001-UP

1шт.

26

08038-00519

CAP

SN: 60001-UP

2шт.

27

08038-00518

CAP

SN: 60615-UP

2шт.

27

08038-00518

CAP

SN: 60001-60614

4шт.

28

419-06-32263

WIRING HARNESS

SN: 60001-UP

1шт.

29

08038-06031

CAP

SN: 60615-UP

1шт.

29

08038-06031

CAP

SN: 60001-60614

2шт.

30

419-Z91-3221

WIRING HARNESS

SN: 60001-60614

4шт.

31

419-977-3120

WIRE

SN: 60001-60614

4шт.

32

08034-20414

BAND

SN: 60001-60614

2шт.

33

01010-80816

BOLT

SN: 60001-60614

1шт.

34

01643-30823

WASHER

SN: 60001-60614

1шт.

35

08034-40521

BAND

SN: 60001-60614

1шт.

Выбрано товаров: 38