Запчасти Komatsu WA320-5 ПЕРЕДН. Э/ПРОВОДКА (E.C.S.S) ЭЛЕКТРИКА

Схема запчастей Komatsu WA320-5 - ПЕРЕДН. Э/ПРОВОДКА (E.C.S.S) ЭЛЕКТРИКА
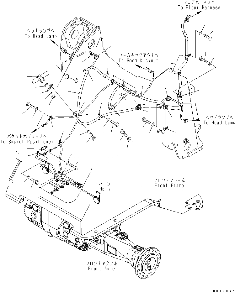
1
2
3
3
4
4
4
4
4
5
6
6
7
7
7
7
7
7
7
7
7
7
8
8
8
8
8
8
9
9
9
9
9
9
10
11
12
13
14
15
15
15
16
16
16
17
18
FIT
1:1
100%

Артикул

Название

Примечание

Количество

1

419-06-32147

WIRING HARNESS

SN: 60001-UP

1шт.

2

419-06-31770

PLUG

SN: 60001-UP

1шт.

3

418-06-12430

GROMMET

SN: 60001-UP

2шт.

4

04434-51712

CLIP

SN: 60001-UP

5шт.

5

04434-51912

CLIP

SN: 60001-UP

2шт.

6

04434-52512

CLIP

SN: 60001-UP

2шт.

7

04434-51012

CLIP

SN: 60001-UP

12шт.

8

01010-81020

BOLT

SN: 60001-UP

21шт.

9

01643-31032

WASHER

SN: 60001-UP

21шт.

10

423-06-32280

BRACKET

SN: 60001-UP

1шт.

11

07283-33450

CLIP

SN: 60001-UP

1шт.

12

07283-53444

SEAT

SN: 60001-UP

1шт.

13

01643-31032

WASHER

SN: 60001-UP

2шт.

14

01597-01009

NUT

SN: 60001-UP

2шт.

15

01010-81016

BOLT

SN: 60001-UP

3шт.

16

01643-31032

WASHER

SN: 60001-UP

3шт.

17

08193-21012

CLIP

SN: 60001-UP

1шт.

18

426-09-11210

GROMMET

SN: 60001-UP

1шт.

Выбрано товаров: 18