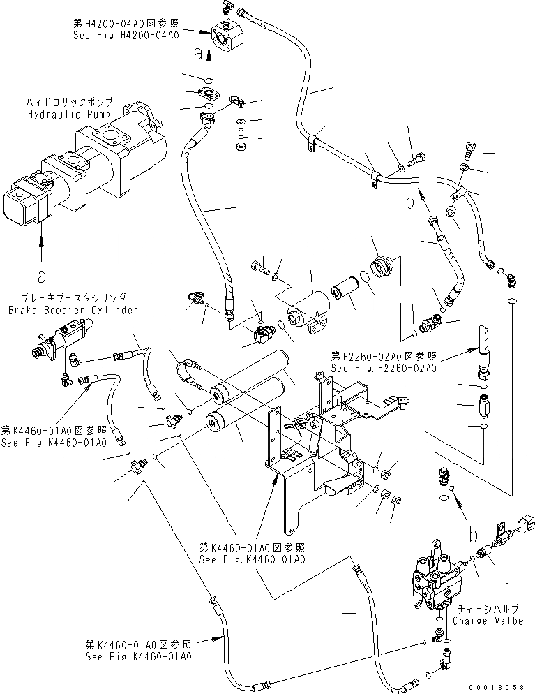
Запчасти Komatsu WA320-5 УПРАВЛ-Е ТОРМОЗОМ(ACUUMLATOR)(№-) КАБИНА ОПЕРАТОРА И СИСТЕМА УПРАВЛЕНИЯ

Схема запчастей Komatsu WA320-5 - УПРАВЛ-Е ТОРМОЗОМ(ACUUMLATOR)(№-) КАБИНА ОПЕРАТОРА И СИСТЕМА УПРАВЛЕНИЯ
1
1
2
3
4
4
5
5
6
6
7
7
8
8
8
8
9
10
11
12
13
14
15
16
17
18
19
20
21
22
22
22
23
24
25
25
26
27
28
29
30
31
32
33
34
35
36
37
38
39
40
41
42
43
FIT
1:1
100%

Артикул

Название

Примечание

Количество

1

418-43-37401

ACCUMULATOR

SN: 60001-UP

2шт.

2

417-43-37140

CLIP

SN: 60001-UP

4шт.

3

01582-11008

NUT

SN: 60001-UP

4шт.

4

01582-11008

NUT

SN: 60001-UP

8шт.

5

01643-31032

WASHER

SN: 60001-UP

8шт.

6

417-43-37410

TEE

SN: 60001-UP

2шт.

7

07000-12011

O-RING

SN: 60001-UP

2шт.

8

02896-11008

O-RING

SN: 60001-UP

4шт.

9

02765-B02A5

HOSE

SN: 60001-UP

1шт.

10

419-43-37111

HOSE

SN: 60001-UP

1шт.

11

419-43-37230

HOSE

SN: 60024-UP

1шт.

12

07000-13025

O-RING

SN: 60001-UP

1шт.

13

07371-30638

FLANGE

SN: 60001-UP

2шт.

14

01643-50823

WASHER

SN: 60001-UP

4шт.

15

01010-80840

BOLT

SN: 60001-UP

4шт.

16

07373-30600

SPACER

SN: 60001-UP

1шт.

17

07000-13025

O-RING

SN: 60001-UP

1шт.

18

421-43-22912

SWITCH

SN: 60139-UP

1шт.

|18

0

SWITCH

SN: 60001-60138

1шт.

19

07002-11423

O-RING

SN: 60001-UP

1шт.

20

419-43-37141

HOSE

SN: 60001-UP

1шт.

21

201-03-29160

SPACER

SN: 60001-UP

1шт.

22

04434-51610

CLIP

SN: 60001-UP

3шт.

23

01010-81025

BOLT

SN: 60001-UP

2шт.

24

01010-81035

BOLT

SN: 60001-UP

1шт.

25

01643-31032

WASHER

SN: 60001-UP

3шт.

26

419-43-37150

UNION

SN: 60001-UP

1шт.

27

02896-11015

O-RING

SN: 60001-UP

1шт.

28

07000-12018

O-RING

SN: 60001-UP

1шт.

29

02896-11012

O-RING

SN: 60024-UP

1шт.

30

419-43-37291

ELBOW

SN: 60024-UP

1шт.

31

799-101-5220

NIPPLE

SN: 60024-UP

1шт.

32

07002-11023

O-RING

SN: 60024-UP

1шт.

33

07002-12434

O-RING

SN: 60024-UP

1шт.

34

421-43-22571

CAP

SN: 60246-UP

1шт.

|34

421-43-22570

CAP

SN: 60024-60245

1шт.

35

421-43-22562

CASE

SN: 60246-UP

1шт.

|35

421-43-22561

CASE

SN: 60143-60245

1шт.

|35

419-43-37190

CASE

SN: 60138-60142

1шт.

|35

421-43-22560

CASE

SN: 60024-60137

1шт.

36

421-43-27920

ELEMENT

SN: 60024-UP

1шт.

37

01010-81025

BOLT

SN: 60024-UP

2шт.

38

01643-31032

WASHER

SN: 60024-UP

2шт.

39

07002-15234

O-RING

SN: 60024-UP

1шт.

40

07002-12434

O-RING

SN: 60024-UP

1шт.

41

11Y-62-12630

ELBOW

SN: 60024-UP

1шт.

42

02766-004A3

HOSE

SN: 60024-UP

1шт.

43

02896-11012

O-RING

SN: 60024-UP

1шт.

Выбрано товаров: 48