Запчасти Komatsu WA320-5 ОТВАЛ (ЦИЛИНДР НАКЛОНА¤ БОКОВ. СДВИГ ЛИНИЯ ЦИЛИНДРА¤/) (W/S.P.A.P.) (С SHOCK CANCEL S.P.A.P.) РАБОЧЕЕ ОБОРУДОВАНИЕ

Схема запчастей Komatsu WA320-5 - ОТВАЛ (ЦИЛИНДР НАКЛОНА¤ БОКОВ. СДВИГ ЛИНИЯ ЦИЛИНДРА¤/) (W/S.P.A.P.) (С SHOCK CANCEL S.P.A.P.) РАБОЧЕЕ ОБОРУДОВАНИЕ
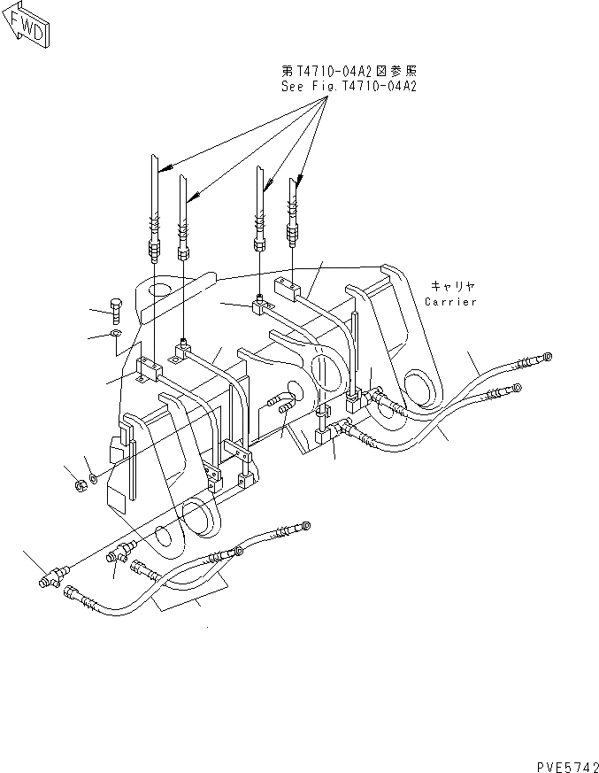
1
1
1
2
2
2
2
3
4
5
6
7
8
9
10
11
FIT
1:1
100%

Артикул

Название

Примечание

Количество

1

419-905-1371

HOSE

SN: 60001-UP

4шт.

2

41H-62-13300

JOINT,SWIVEL

SN: 60001-UP

4шт.

3

419-905-1311

TUBE,L.H.

SN: 60001-UP

1шт.

4

419-905-1321

TUBE,R.H.

SN: 60001-UP

1шт.

5

419-905-1351

TUBE,L.H.

SN: 60001-UP

1шт.

6

419-905-1361

TUBE,R.H.

SN: 60001-UP

1шт.

7

07283-22738

CLIP

SN: 60001-UP

4шт.

8

01643-31032

WASHER

SN: 60001-UP

8шт.

9

01597-01009

NUT

SN: 60001-UP

8шт.

10

01010-81020

BOLT

SN: 60001-UP

4шт.

11

01643-31032

WASHER

SN: 60001-UP

4шт.

Выбрано товаров: 11