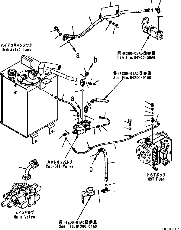
Запчасти Komatsu WA320-5 ГИДРОЛИНИЯ ОСНОВН. ЛИНИЯ (/) ГИДРАВЛИКА

Схема запчастей Komatsu WA320-5 - ГИДРОЛИНИЯ ОСНОВН. ЛИНИЯ (/) ГИДРАВЛИКА
26
23
21
22
24
25
33
35
34
18
32
29
31
33
17
19
5
17
17
7
6
31
28
32
4
3
20
7
2
32
30
31
31
30
32
36
9
11
10
12
8
14
13
12
16
15
17
27
1
7
FIT
1:1
100%

Артикул

Название

Примечание

Количество

1

02782-10522

ELBOW

SN: B10001-UP

1шт.

2

419-62-31374

ELBOW

SN: B10001-UP

1шт.

3

02781-00516

UNION

SN: B10001-UP

1шт.

4

07002-12034

O-RING

SN: B10001-UP

1шт.

5

419-62-33335

HOSE

SN: B10001-UP

1шт.

6

02782-10522

ELBOW

SN: B10001-UP

1шт.

7

07002-12434

O-RING

SN: B10001-UP

3шт.

8

419-62-33764

HOSE

SN: B10001-UP

1шт.

9

07000-13025

O-RING

SN: B10001-UP

1шт.

10

01010-81035

BOLT

SN: B10001-UP

2шт.

11

01643-31032

WASHER

SN: B10001-UP

2шт.

12

04434-52712

CLIP

SN: B10001-UP

3шт.

13

01010-81020

BOLT

SN: B10001-UP

3шт.

14

01643-31032

WASHER

SN: B10001-UP

3шт.

15

02782-10516

ELBOW

SN: B10001-UP

1шт.

16

07002-12034

O-RING

SN: B10001-UP

1шт.

17

02896-11015

O-RING

SN: B10001-UP

4шт.

18

419-62-31630

TUBE

SN: B10001-UP

1шт.

19

419-62-33355

HOSE

SN: B10001-UP

1шт.

20

419-62-33882

HOSE

SN: B10001-UP

1шт.

|21

419-18-31562

VALVE ASS'Y

SN: B10001-UP

1шт.

21

07000-12010

O-RING

SN: B10001-UP

1шт.

22

20U-60-22310

POPPET

SN: B10001-UP

1шт.

23

419-18-31523

ELBOW

SN: B10001-UP

1шт.

24

419-18-31551

PLUG

SN: B10001-UP

1шт.

25

419-62-31670

JOINT

SN: B10001-UP

1шт.

26

07002-11423

O-RING

SN: B10001-UP

1шт.

27

02896-11009

O-RING

SN: B10001-UP

1шт.

28

02781-0021D

UNION

SN: B10001-UP

1шт.

29

21W-62-43930

NIPPLE

SN: B10001-UP

1шт.

30

02782-10210

ELBOW

SN: B10001-UP

2шт.

31

07002-11423

O-RING

SN: B10001-UP

4шт.

32

02896-11008

O-RING

SN: B10001-UP

5шт.

33

04434-51212

CLIP

SN: B10001-UP

2шт.

34

01010-81025

BOLT

SN: B10001-UP

1шт.

35

01643-31032

WASHER

SN: B10001-UP

1шт.

36

419-62-34133

TUBE

SN: B10001-UP

1шт.

Выбрано товаров: 37