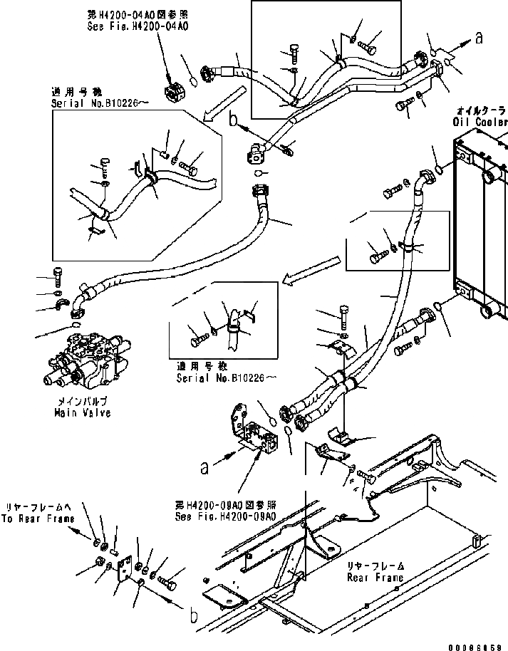
Запчасти Komatsu WA320-5 ГИДРОЛИНИЯ (ВОЗВРАТНАЯ ЛИНИЯ/) (ДЛЯ SUGAR CANE) (№B8-B) ГИДРАВЛИКА

Схема запчастей Komatsu WA320-5 - ГИДРОЛИНИЯ (ВОЗВРАТНАЯ ЛИНИЯ/) (ДЛЯ SUGAR CANE) (№B8-B) ГИДРАВЛИКА
1
22
24
23
33
32
27
26
29
28
4
3
32
33
23
24
27
6
26
6
8
10
2
6
6
33
32
23
24
32
33
23
18
35
36
34
23
6
5
6
24
9
10
7
6
22
24
23
33
32
22
14
16
17
15
14
13
12
21
20
11
19
25
31
30
24
6
6
FIT
1:1
100%

Артикул

Название

Примечание

Количество

1

419-62-33374

HOSE

SN: B10186-B10402

1шт.

2

419-62-31252

TUBE

SN: B10186-@

1шт.

3

419-62-33385

HOSE

SN: B10186-@

1шт.

4

419-62-33394

HOSE

SN: B10186-@

1шт.

5

419-62-33683

HOSE

SN: B10186-@

1шт.

6

07000-13038

O-RING

SN: B10186-B10402

9шт.

7

07371-31255

FLANGE, SPLIT

SN: B10186-B10402

12шт.

8

07372-21040

BOLT

SN: B10186-@

4шт.

9

07372-21035

BOLT

SN: B10186-B10402

24шт.

10

01643-51032

WASHER

SN: B10186-B10402

28шт.

11

419-62-31261

PLATE

SN: B10186-@

1шт.

12

01010-81050

BOLT

SN: B10186-@

2шт.

13

01643-31032

WASHER

SN: B10186-@

2шт.

14

415-64-13120

WASHER

SN: B10186-@

4шт.

15

419-43-17930

CUSHION

SN: B10186-@

2шт.

16

415-64-13130

CUSHION

SN: B10186-@

2шт.

17

417-62-14130

SPACER

SN: B10186-@

2шт.

18

07283-33450

CLIP

SN: B10186-@

1шт.

19

07283-53444

SEAT

SN: B10186-@

1шт.

20

01643-31032

WASHER

SN: B10186-@

2шт.

21

01597-01009

NUT

SN: B10186-@

2шт.

22

419-62-32130

CLAMP

SN: B10226-@

3шт.

23

419-62-32140

CLAMP

SN: B10226-@

3шт.

|23

20Y-62-15950

CLIP

SN: B10186-B10225

3шт.

24

419-62-32150

CUSHION

SN: B10226-@

3шт.

|24

419-62-13470

RUBBER

SN: B10186-B10225

3шт.

25

419-62-33141

BRACKET

SN: B10186-@

1шт.

26

07094-31228

CLAMP

SN: B10186-@

2шт.

27

07095-01241

CUSHION

SN: B10186-@

2шт.

28

01010-81290

BOLT

SN: B10186-@

2шт.

29

01643-31232

WASHER

SN: B10186-@

2шт.

30

01010-81025

BOLT

SN: B10186-@

2шт.

31

01643-31032

WASHER

SN: B10186-@

2шт.

32

01010-81030

BOLT

SN: B10226-@

2шт.

|32

01010-81025

BOLT

SN: B10186-B10225

3шт.

33

01643-31032

WASHER

SN: B10226-@

2шт.

|33

01643-31032

WASHER

SN: B10186-B10225

3шт.

34

22D-62-12440

SPACER

SN: B10226-@

1шт.

35

01010-81070

BOLT

SN: B10226-@

1шт.

36

01643-31032

WASHER

SN: B10226-@

1шт.

Выбрано товаров: 40