Запчасти Komatsu WA320-5 ЦИЛИНДР РУЛЕВ. УПР-Я ОСНОВН. РАМА И ITS КОМПОНЕНТЫ

Схема запчастей Komatsu WA320-5 - ЦИЛИНДР РУЛЕВ. УПР-Я ОСНОВН. РАМА И ITS КОМПОНЕНТЫ
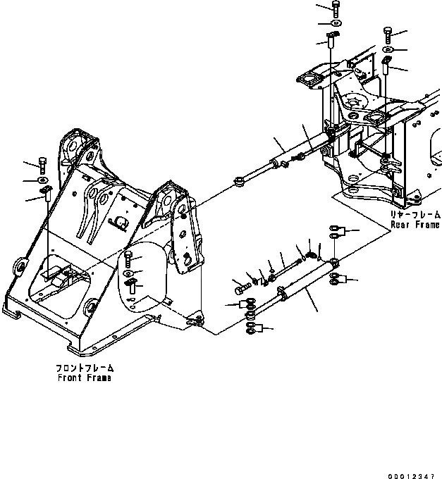
7
8
9
2
3
4
6
5
11
11
11
1
11
2
1
14
13
12
14
13
12
12
13
10
10
13
12
FIT
1:1
100%

Артикул

Название

Примечание

Количество

1

707-00-0Z680

CYLINDER ASS'Y

SN: B10001-UP

2шт.

2

418-46-34210

TUBE

SN: B10001-UP

2шт.

3

02896-11012

O-RING

SN: B10001-UP

2шт.

4

418-46-34220

PLATE

SN: B10001-UP

2шт.

5

01010-81016

BOLT

SN: B10001-UP

4шт.

6

01643-31032

WASHER

SN: B10001-UP

4шт.

7

02782-10422

ELBOW

SN: B10001-UP

2шт.

8

07002-12034

O-RING

SN: B10001-UP

2шт.

9

02896-11012

O-RING

SN: B10001-UP

2шт.

10

419-46-12260

PIN

SN: B10001-UP

2шт.

11

419-46-12280

SHIM¤ 1.0MM

SN: B10001-UP

18шт.

|11

419-46-12290

SHIM¤ 0.5MM

SN: B10001-UP

10шт.

12

01010-81220

BOLT

SN: B10001-UP

4шт.

13

175-54-34170

WASHER

SN: B10001-UP

4шт.

14

419-46-32260

PIN

SN: B10001-UP

2шт.

Выбрано товаров: 15