Запчасти Komatsu WA320-5 ЗАДН. МОСТ СУППОРТ ОСНОВН. РАМА И ITS КОМПОНЕНТЫ

Схема запчастей Komatsu WA320-5 - ЗАДН. МОСТ СУППОРТ ОСНОВН. РАМА И ITS КОМПОНЕНТЫ
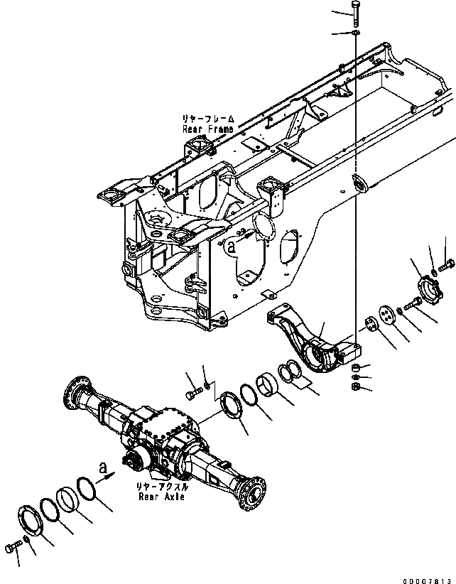
10
11
8
9
24
22
23
1
12
14
13
4
3
2
5
6
7
19
20
18
15
17
16
21
22
FIT
1:1
100%

Артикул

Название

Примечание

Количество

1

419-46-37111

SUPPORT

SN: B10001-UP

1шт.

2

423-46-27180

RETAINER

SN: B10001-UP

1шт.

3

01010-81235

BOLT

SN: B10001-UP

6шт.

4

01643-31232

WASHER

SN: B10001-UP

6шт.

5

421-46-15132

PACKING

SN: B10001-UP

1шт.

6

424-46-12172

BUSHING

SN: B10001-UP

1шт.

7

423-46-27120

WASHER

SN: B10001-UP

2шт.

8

423-46-27140

PLATE

SN: B10001-UP

1шт.

9

423-46-27130

PLATE

SN: B10001-UP

1шт.

10

01010-62090

BOLT

SN: B10001-UP

4шт.

11

01643-32060

WASHER

SN: B10001-UP

4шт.

12

423-46-27150

COVER

SN: B10001-UP

1шт.

13

01010-81260

BOLT

SN: B10001-UP

6шт.

14

01643-31232

WASHER

SN: B10001-UP

6шт.

15

423-46-27170

RETAINER

SN: B10001-UP

1шт.

16

01010-81235

BOLT

SN: B10001-UP

6шт.

17

01643-31232

WASHER

SN: B10001-UP

6шт.

18

419-46-12480

PACKING

SN: B10001-UP

1шт.

19

423-46-27190

SEAL

SN: B10001-UP

1шт.

20

423-46-27220

BUSHING

SN: B10001-UP

1шт.

21

01011-62785

BOLT

SN: B10001-UP

4шт.

22

01643-32780

WASHER

SN: B10001-UP

8шт.

23

01580-02722

NUT

SN: B10001-UP

4шт.

24

419-46-37120

SPACER

SN: B10001-UP

4шт.

Выбрано товаров: 24