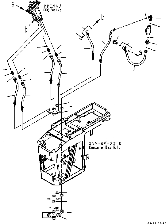
Запчасти Komatsu WA320-5 ПОЛ (УПРАВЛЕНИЕ ПОГРУЗКОЙ) (/) (ШЛАНГИ) (-РЫЧАГ) (№B-B8) OPERATOR’S ОБСТАНОВКА И СИСТЕМА УПРАВЛЕНИЯ

Схема запчастей Komatsu WA320-5 - ПОЛ (УПРАВЛЕНИЕ ПОГРУЗКОЙ) (/) (ШЛАНГИ) (-РЫЧАГ) (№B-B8) OPERATOR’S ОБСТАНОВКА И СИСТЕМА УПРАВЛЕНИЯ
24
15
14
20
9
8
6
7
5
3
4
11
10
2
23
22
13
12
17
19
14
12
13
18
14
12
13
14
12
13
16
16
1
24
21
FIT
1:1
100%

Артикул

Название

Примечание

Количество

1

01583-11408

NUT

SN: B10001-B10228

1шт.

2

419-43-38130

HOSE, RED-YELLOW

SN: B10001-B10228

1шт.

3

02782-10315

ELBOW

SN: B10001-B10228

1шт.

4

02896-11009

O-RING

SN: B10001-B10228

1шт.

5

07002-12034

O-RING

SN: B10001-B10228

1шт.

6

02781-00315

UNION

SN: B10001-B10228

1шт.

7

07002-12034

O-RING

SN: B10001-B10228

1шт.

8

02896-11009

O-RING

SN: B10001-B10228

1шт.

9

419-43-38391

HOSE

SN: B10001-B10228

1шт.

10

702-16-53240

PLUG

SN: B10001-B10228

1шт.

11

07000-12018

O-RING

SN: B10001-B10228

2шт.

12

21N-64-37130

UNION

SN: B10001-B10228

4шт.

13

07002-11423

O-RING

SN: B10001-B10228

4шт.

14

02896-11009

O-RING

SN: B10001-B10228

4шт.

15

419-43-38340

HOSE, RED

SN: B10001-B10228

1шт.

16

01583-11408

NUT

SN: B10001-B10228

4шт.

17

419-43-38350

HOSE, BLUE

SN: B10001-B10228

1шт.

18

419-43-38360

HOSE, YELLOW

SN: B10001-B10228

1шт.

19

419-43-38370

HOSE, ORANGE

SN: B10001-B10228

1шт.

20

419-43-38380

HOSE

SN: B10001-B10228

1шт.

21

01583-11408

NUT

SN: B10001-B10228

1шт.

22

20Y-62-16170

BOLT

SN: B10001-B10228

1шт.

23

07000-12015

O-RING

SN: B10001-B10228

2шт.

24

01643-31445

WASHER

SN: B10001-B10228

12шт.

Выбрано товаров: 24