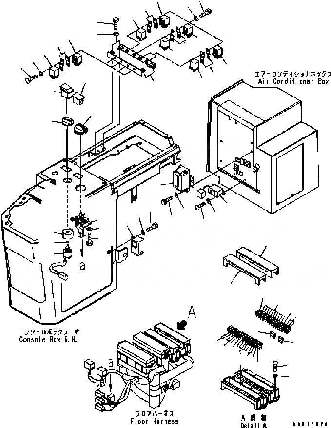
Запчасти Komatsu WA320-5 ПОЛ (ЭЛЕКТРИКА) (№B-B8) OPERATOR’S ОБСТАНОВКА И СИСТЕМА УПРАВЛЕНИЯ

Схема запчастей Komatsu WA320-5 - ПОЛ (ЭЛЕКТРИКА) (№B-B8) OPERATOR’S ОБСТАНОВКА И СИСТЕМА УПРАВЛЕНИЯ
13
14
12
3
11
10
20
9
21
19
6
2
1
2
1
7
8
2
1
5
5
4
4
5
4
5
15
17
16
25
26
23
28
24
27
22
18
30
28
31
32
28
29
30
31
35
31
34
33
31
35
31
35
32
32
FIT
1:1
100%

Артикул

Название

Примечание

Количество

1

283-06-16190

FUSE¤ 10A

SN: B10001-B10228

14шт.

2

22W-06-13160

FUSE¤ 20A

SN: B10001-B10228

3шт.

3

283-06-16120

COVER

SN: B10001-B10228

1шт.

4

283-06-16190

FUSE¤ 10A

SN: B10001-B10228

9шт.

5

22W-06-13160

FUSE¤ 20A

SN: B10001-B10228

6шт.

6

283-06-16120

COVER

SN: B10001-B10228

1шт.

7

01220-40520

SCREW

SN: B10001-B10228

4шт.

8

01641-20508

WASHER

SN: B10001-B10228

4шт.

9

421-06-26220

RELAY

SN: B10001-B10228

1шт.

10

01010-80610

BOLT

SN: B10001-B10228

2шт.

11

01643-30623

WASHER

SN: B10001-B10228

2шт.

12

23S-05-35320

BUZZER

SN: B10001-B10228

1шт.

13

01220-40412

SCREW

SN: B10001-B10228

2шт.

14

01641-20405

WASHER

SN: B10001-B10228

2шт.

15

421-06-36232

SWITCH {SPEED RANGE SELECTOR}

SN: B10146-B10228

1шт.

|15

0

SWITCH {SPEED RANGE SELECTOR}

SN: B10001-B10145

1шт.

16

416-54-32770

COVER

SN: B10214-B10228

1шт.

17

416-54-32790

O-RING

SN: B10214-B10228

1шт.

18

421-06-36241

KNOB

SN: B10001-B10228

1шт.

19

416-06-22250

FLASHER

SN: B10001-B10228

1шт.

20

01010-80612

BOLT

SN: B10001-B10228

2шт.

21

01643-30623

WASHER

SN: B10001-B10228

2шт.

22

418-06-36370

SWITCH {TRACTION CONTROL}

SN: B10001-B10228

1шт.

23

22U-06-22420

POTENTIOMETER ASS'Y

SN: B10001-B10228

1шт.

24

22U-06-22470

KNOB

SN: B10001-B10228

1шт.

25

01010-80612

BOLT

SN: B10001-B10228

2шт.

26

01643-30623

WASHER

SN: B10001-B10228

2шт.

27

418-06-36230

PLUG

SN: B10001-B10228

2шт.

28

418-54-32990

BRACKET

SN: B10001-B10228

2шт.

29

01010-80616

BOLT

SN: B10001-B10228

4шт.

30

01643-30623

WASHER

SN: B10001-B10228

4шт.

31

569-06-61960

RELAY

SN: B10001-B10228

15шт.

32

569-06-61970

RELAY

SN: B10001-B10228

1шт.

33

01010-80616

BOLT

SN: B10001-B10228

8шт.

34

01643-30623

WASHER

SN: B10001-B10228

8шт.

35

287-06-16420

BRACKET

SN: B10001-B10228

16шт.

Выбрано товаров: 36