Запчасти Komatsu WA320-5 КАПОТ (ОТСЕК ДВИГАТЕЛЯ) ЧАСТИ КОРПУСАS И КРЫШКИ

Схема запчастей Komatsu WA320-5 - КАПОТ (ОТСЕК ДВИГАТЕЛЯ) ЧАСТИ КОРПУСАS И КРЫШКИ
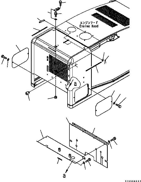
19
16
13
17
17
18
12
11
10
15
14
12
11
10
20
5
1
2
6
3
4
9
7
8
FIT
1:1
100%

Артикул

Название

Примечание

Количество

1

419-54-31186

SHEET

SN: B10001-UP

1шт.

2

417-54-21431

PLATE

SN: B10001-UP

1шт.

3

01010-80820

BOLT

SN: B10001-UP

4шт.

4

01643-30823

WASHER

SN: B10001-UP

4шт.

5

415-54-11980

CUSHION

SN: B10001-UP

1шт.

6

419-54-31792

BRACKET

SN: B10001-UP

1шт.

7

01010-80816

BOLT

SN: B10001-UP

6шт.

8

01643-30823

WASHER

SN: B10001-UP

6шт.

9

419-54-31830

FINISHER

SN: B10001-UP

1шт.

10

419-54-31170

COVER

SN: B10001-UP

2шт.

11

01010-81020

BOLT

SN: B10001-UP

4шт.

12

01643-31032

WASHER

SN: B10001-UP

4шт.

13

418-54-31832

PLATE

SN: B10001-UP

1шт.

14

01643-30623

WASHER

SN: B10001-UP

2шт.

15

04050-11612

PIN {COTTER}

SN: B10001-UP

2шт.

16

421-09-12322

HOLDER

SN: B10001-UP

1шт.

17

418-54-33130

SEAL

SN: B10001-UP

2шт.

18

01023-10420

SCREW

SN: B10001-UP

2шт.

19

01023-10414

SCREW

SN: B10001-UP

3шт.

20

01580-60403

NUT

SN: B10001-UP

5шт.

Выбрано товаров: 20