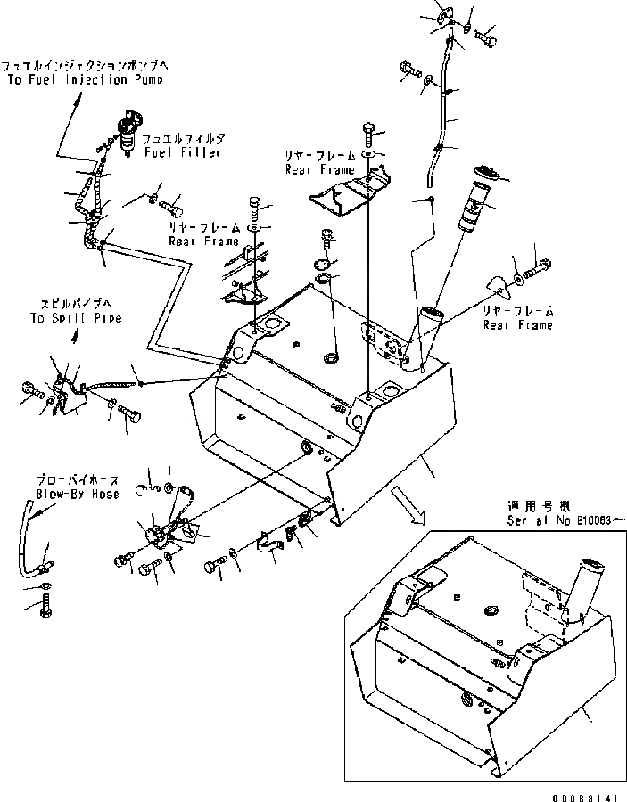
Запчасти Komatsu WA320-5 ТОПЛИВН. БАК. ТОПЛИВН. СИСТЕМА

Схема запчастей Komatsu WA320-5 - ТОПЛИВН. БАК. ТОПЛИВН. СИСТЕМА
30
27
33
32
23
46
22
48
47
31
31
18
31
3
30
29
2
26
24
25
1
10
14
11
13
12
8
6
7
5
4
4
8
7
38
39
37
39
38
40
37
15
19
45
44
43
1
21
28
30
35
36
42
16
41
20
34
17
20
FIT
1:1
100%

Артикул

Название

Примечание

Количество

1

419-04-31118

TANK

SN: B10063-UP

1шт.

|1

419-04-31117

TANK

SN: B10001-B10062

1шт.

2

07056-18422

STRAINER

SN: B10001-UP

1шт.

|2

417-04-21230

PACKING

SN: B10001-UP

1шт.

3

423-04-11362

CAP

SN: B10001-UP

1шт.

4

418-04-31133

SENSOR

SN: B10001-UP

1шт.

5

01023-10510

SCREW

SN: B10001-UP

5шт.

6

04434-50610

CLIP

SN: B10001-UP

2шт.

7

01010-80812

BOLT

SN: B10001-UP

2шт.

8

01643-30823

WASHER

SN: B10001-UP

2шт.

9

418-04-31220

PACKING

SN: B10001-UP

1шт.

10

363-04-11130

VALVE

SN: B10001-UP

1шт.

11

417-04-10140

COVER

SN: B10001-UP

1шт.

12

01010-80816

BOLT

SN: B10001-UP

2шт.

13

01643-30823

WASHER

SN: B10001-UP

2шт.

14

07217-71013

ELBOW

SN: B10001-UP

1шт.

15

419-04-31212

HOSE ASS'Y

SN: B10001-UP

1шт.

16

419-04-31242

HOSE ASS'Y

SN: B10001-UP

1шт.

17

419-04-31232

HOSE ASS'Y

SN: B10001-UP

1шт.

18

07270-21085

TUBE

SN: B10001-UP

1шт.

19

07285-00080

CLIP

SN: B10001-UP

1шт.

20

11Y-09-11140

CLIP

SN: B10001-UP

1шт.

21

07285-00130

CLIP

SN: B10001-UP

2шт.

22

419-04-31250

TUBE

SN: B10001-UP

1шт.

23

07285-00130

CLIP

SN: B10001-UP

1шт.

24

418-04-31210

COVER

SN: B10001-UP

1шт.

25

418-04-31220

PACKING

SN: B10001-UP

1шт.

26

01023-10510

SCREW

SN: B10001-UP

5шт.

27

01010-81635

BOLT

SN: B10001-UP

1шт.

28

01010-81635

BOLT

SN: B10001-UP

1шт.

29

01010-81665

BOLT

SN: B10001-UP

1шт.

30

421-70-11280

WASHER

SN: B10001-UP

3шт.

31

04434-51510

CLIP

SN: B10001-UP

3шт.

32

01010-81020

BOLT

SN: B10001-UP

3шт.

33

01643-31032

WASHER

SN: B10001-UP

3шт.

34

04434-52310

CLIP

SN: B10001-UP

1шт.

35

01010-81020

BOLT

SN: B10001-UP

1шт.

36

01643-31032

WASHER

SN: B10001-UP

1шт.

37

04434-51410

CLIP

SN: B10001-UP

3шт.

38

01010-81020

BOLT

SN: B10001-UP

3шт.

39

01643-31032

WASHER

SN: B10001-UP

3шт.

40

07285-00080

CLIP

SN: B10001-UP

1шт.

41

04434-52310

CLIP

SN: B10001-UP

1шт.

42

11Y-09-11140

CLIP

SN: B10001-UP

1шт.

43

04434-52711

CLIP

SN: B10001-UP

1шт.

44

01010-81020

BOLT

SN: B10001-UP

1шт.

45

01643-31032

WASHER

SN: B10001-UP

1шт.

46

04434-51010

CLIP

SN: B10001-UP

1шт.

47

01010-81020

BOLT

SN: B10001-UP

1шт.

48

01643-31032

WASHER

SN: B10001-UP

1шт.

Выбрано товаров: 50