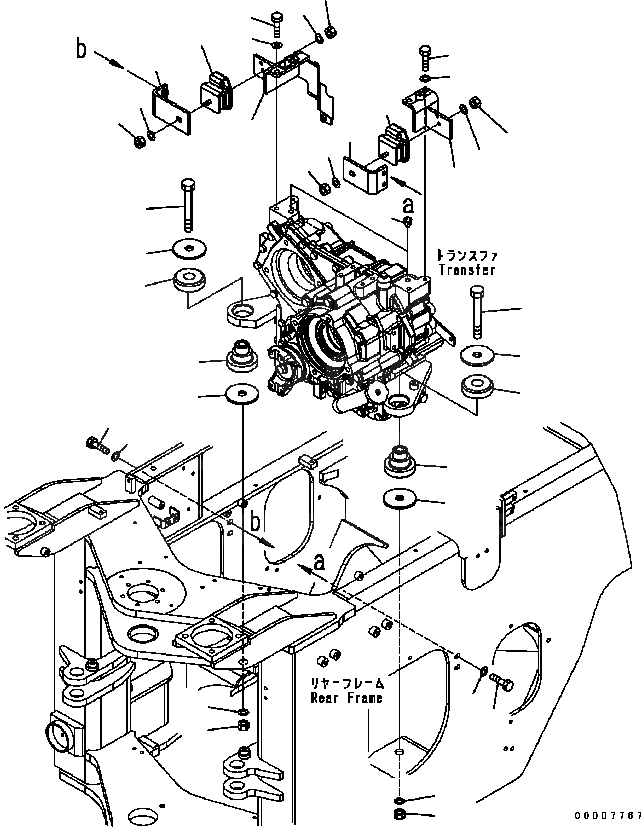
Запчасти Komatsu WA320-5 ПЕРЕДАЧА КРЕПЛЕНИЕ ТРАНСМИССИЯ

Схема запчастей Komatsu WA320-5 - ПЕРЕДАЧА КРЕПЛЕНИЕ ТРАНСМИССИЯ
8
5
5
6
7
5
8
1
13
12
18
12
13
3
11
15
14
2
11
15
14
13
12
5
6
7
12
13
4
17
16
17
16
10
9
10
9
FIT
1:1
100%

Артикул

Название

Примечание

Количество

1

419-14-31132

BRACKET {L.H.}

SN: B10001-UP

1шт.

2

419-14-31145

BRACKET

SN: B10001-UP

1шт.

3

419-14-31150

PLATE {L.H.}

SN: B10001-UP

1шт.

4

419-14-31160

PLATE {R.H.}

SN: B10001-UP

1шт.

5

418-01-11112

CUSHION

SN: B10001-UP

2шт.

6

419-01-11162

WASHER

SN: B10001-UP

2шт.

7

01011-62220

BOLT

SN: B10001-UP

2шт.

8

419-01-11162

WASHER

SN: B10001-UP

2шт.

9

01580-02218

NUT

SN: B10001-UP

2шт.

10

01643-32260

WASHER

SN: B10001-UP

2шт.

11

20S-01-71331

CUSHION

SN: B10001-UP

2шт.

12

01580-11008

NUT

SN: B10001-UP

4шт.

13

01643-31032

WASHER

SN: B10001-UP

4шт.

14

01010-81235

BOLT

SN: B10001-UP

4шт.

15

01643-31232

WASHER

SN: B10001-UP

4шт.

16

01010-81035

BOLT

SN: B10001-UP

4шт.

17

01643-31032

WASHER

SN: B10001-UP

4шт.

18

07049-01620

PLUG

SN: B10001-UP

2шт.

Выбрано товаров: 18