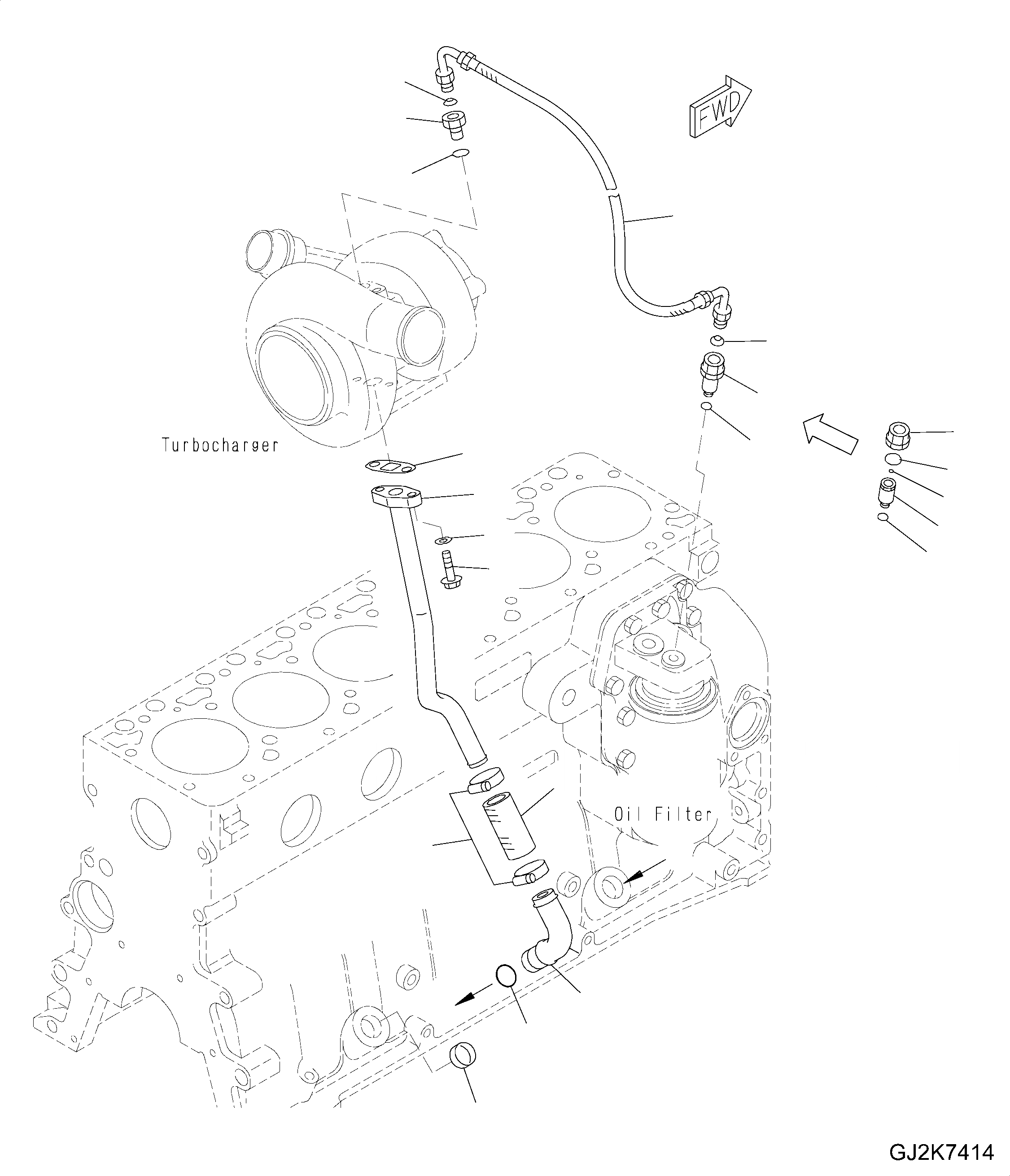
Запчасти Komatsu WA320-5 МАСЛОПРОВОДЯЩИЕ ТРУБКИ ТУРБОНАГНЕТАТЕЛЯ AA ДВИГАТЕЛЬ

Схема запчастей Komatsu WA320-5 - МАСЛОПРОВОДЯЩИЕ ТРУБКИ ТУРБОНАГНЕТАТЕЛЯ AA ДВИГАТЕЛЬ
12
a
a
11
10
13
14
15
17
9
16
18
8
19
20
7
21
6
5
4
3
2
1
FIT
1:1
100%

Артикул

Название

Примечание

Количество

1

6735-21-5530

PLUG

SN: 21563300-UP

1шт.

2

6731-51-8150

O-RING

SN: 21563300-UP

1шт.

3

6731-51-8170

TUBE, OIL DRAIN

SN: 21563300-UP

1шт.

4

6734-71-5170

CLAMP, HOSE

SN: 21598525-UP

2шт.

|$5

07281-00359

CLAMP, HOSE

SN: 21563300-21596608

2шт.

5

6736-21-6110

HOSE, PLAIN

SN: 21598525-UP

1шт.

|$7

6732-51-8370

HOSE, PLAIN

SN: 21563300-21596608

1шт.

6

6732-71-3220

BOLT

SN: 21563300-UP

1шт.

7

6736-51-8730

SEAL

SN: 21598525-UP

1шт.

8

6731-51-8190

CONNECTION, OIL DRAIN

SN: 21563300-UP

1шт.

9

6735-51-8180

GASKET, OIL DRAIN, (K1)

SN: 21563300-UP

1шт.

|$12

6736-51-8140

CONNECTOR ASSEMBLY

SN: 21598525-UP

1шт.

|$13

6732-51-8180

CONNECTOR ASSEMBLY

SN: 21563300-21596608

1шт.

10

6736-51-8710

O-RING

SN: 21598525-UP

1шт.

|$15

6737-51-8770

O-RING

SN: 21563300-21596608

1шт.

11

0

CONNECTOR

SN: 21598525-UP

1шт.

|$17

0

CONNECTOR

SN: 21563300-21596608

1шт.

12

6732-81-8860

O-RING

SN: 21563300-21596608

1шт.

13

6736-51-8130

HOSE

SN: 21598525-UP

1шт.

|$20

6735-51-8230

HOSE

SN: 21563300-21596608

1шт.

14

6736-51-8710

O-RING

SN: 21563300-21596608

1шт.

15

6732-51-8441

CHECK VALVE

SN: 21573167-21596608

1шт.

|$23

6732-51-8480

CHECK VALVE

SN: 21563300-21596608

1шт.

16

6732-81-8860

O-RING

SN: 21563300-21596608

1шт.

|$25

6732-51-8480

CHECK VALVE ASSEMBLY

SN: 21598525-UP

1шт.

17

0

RETAINER, CHECK VALVE

SN: 21598525-UP

1шт.

18

07000-E2020

O-RING

SN: 21598525-UP

1шт.

19

04260-00793

BALL, CHECK

SN: 21598525-UP

1шт.

20

6732-51-8451

BODY, CHECK VALVE

SN: 21598525-UP

1шт.

21

6736-51-8710

O-RING

SN: 21598525-UP

1шт.

Выбрано товаров: 30