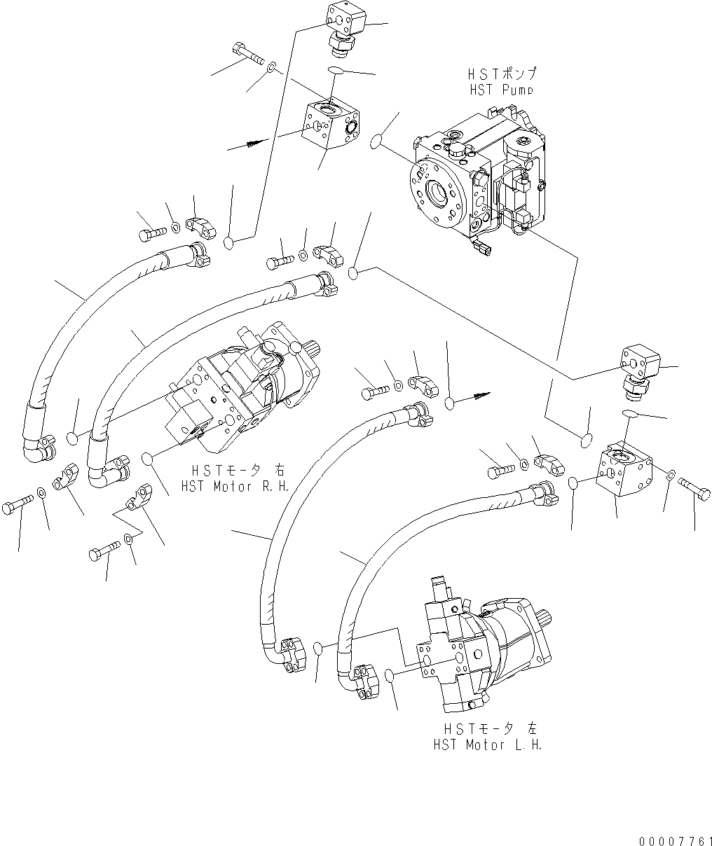
Запчасти Komatsu WA320-5 HST МАСЛ. ЛИНИЯ (ОСНОВН. ЛИНИЯ) F POWER TRANSMITTING СИСТЕМА

Схема запчастей Komatsu WA320-5 - HST МАСЛ. ЛИНИЯ (ОСНОВН. ЛИНИЯ) F POWER TRANSMITTING СИСТЕМА
2
3
6
19
22
25
23
1
5
4
13
9
12
10
8
21
13
11
12
9
24
25
22
19
7
20
13
19
10
12
9
13
23
25
22
19
14
17
16
18
15
6
a
a
FIT
1:1
100%

Артикул

Название

Примечание

Количество

1

419-18-31121

BLOCK

SN: H50051-UP

1шт.

2

419-18-31370

ELBOW

SN: H50051-UP

1шт.

3

07002-14234

O-RING

SN: H50051-UP

1шт.

4

01011-81420

BOLT

SN: H50051-UP

4шт.

5

01643-31445

WASHER

SN: H50051-UP

4шт.

6

07000-13038

O-RING

SN: H50051-UP

2шт.

7

419-18-32113

HOSE

SN: H50051-UP

1шт.

8

07084-01210

HOSE

SN: H50051-UP

1шт.

9

419-18-31260

FLANGE

SN: H50051-UP

8шт.

10

01010-81450

BOLT

SN: H50051-UP

12шт.

11

01010-81490

BOLT

SN: H50051-UP

4шт.

12

722-13-11530

WASHER

SN: H50051-UP

16шт.

13

07000-13038

O-RING

SN: H50051-UP

4шт.

14

419-18-31131

BLOCK

SN: H50051-UP

1шт.

15

419-18-31210

ELBOW

SN: H50051-UP

1шт.

16

01011-81435

BOLT

SN: H50051-UP

4шт.

17

01643-31445

WASHER

SN: H50051-UP

4шт.

18

07002-14234

O-RING

SN: H50051-UP

1шт.

19

07000-13038

O-RING

SN: H50051-UP

4шт.

20

419-18-32113

HOSE

SN: H50051-UP

1шт.

21

419-18-32341

HOSE

SN: H50051-UP

1шт.

22

419-18-31260

FLANGE

SN: H50051-UP

8шт.

23

01010-81450

BOLT

SN: H50051-UP

12шт.

24

01010-81490

BOLT

SN: H50051-UP

4шт.

25

722-13-11530

WASHER

SN: H50051-UP

16шт.

Выбрано товаров: 25