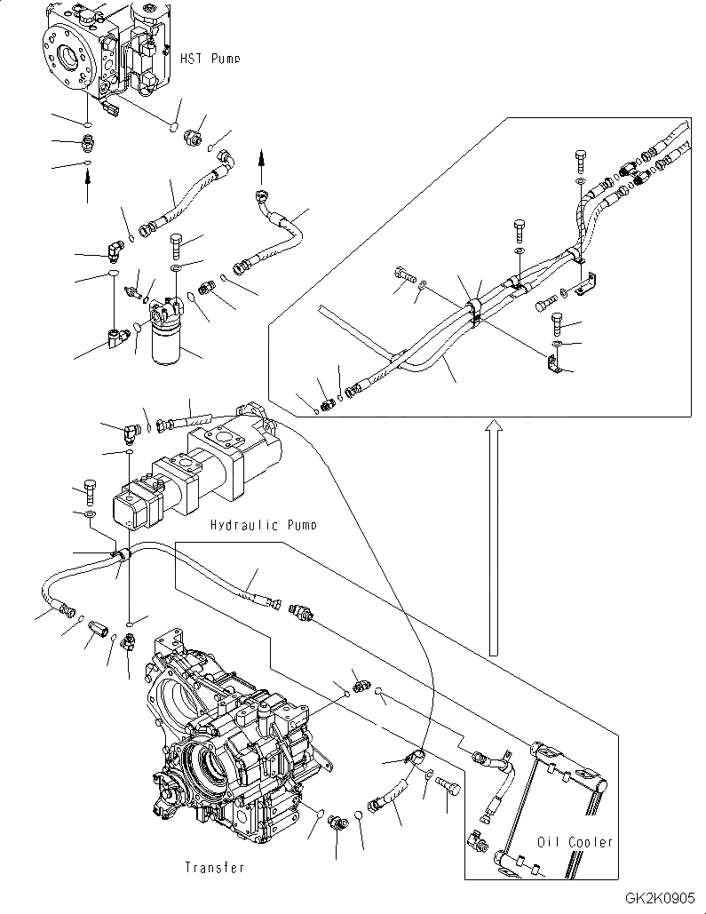
Запчасти Komatsu WA320-5 HST МАСЛ. ЛИНИЯ (ФИЛЬТР. И ПЕРЕДАЧА ЛИНИЯ) F POWER TRANSMITTING СИСТЕМА

Схема запчастей Komatsu WA320-5 - HST МАСЛ. ЛИНИЯ (ФИЛЬТР. И ПЕРЕДАЧА ЛИНИЯ) F POWER TRANSMITTING СИСТЕМА
39
40
38
29
37
36
40
39
30
27
28
11
10
8
9
4
5
16
15
10
14
13
10
a
a
10
12
7
9
2
3
6
9
1
22
21
19
20
34
35
32
33
25
29
27
28
30
34
35
22
31
21
17
18
23
26
24
30
29
FIT
1:1
100%

Артикул

Название

Примечание

Количество

1

418-18-34110

FILTER ASSEMBLY

SN: H50051-UP

1шт.

|$2

418-18-34160

CARTRIDGE

SN: H50051-UP

1шт.

2

415-18-11150

SENSOR

SN: H50051-UP

1шт.

3

415-18-11160

WASHER

SN: H50051-UP

1шт.

4

01016-50825

BOLT

SN: H50051-UP

4шт.

5

01643-30823

WASHER

SN: H50051-UP

4шт.

6

21W-973-4280

ELBOW

SN: H50051-UP

1шт.

7

02782-10516

ELBOW

SN: H50051-UP

1шт.

8

02781-00516

UNION

SN: H50051-UP

1шт.

9

07002-12034

O-RING

SN: H50051-UP

3шт.

10

02896-11015

O-RING

SN: H50051-UP

4шт.

11

419-18-32251

HOSE

SN: H50051-UP

1шт.

12

419-18-32152

HOSE

SN: H50051-UP

1шт.

13

56B-43-17781

NIPPLE

SN: H50051-UP

1шт.

14

07000-13024

O-RING

SN: H50051-UP

1шт.

15

419-18-31190

NIPPLE

SN: H50051-UP

1шт.

16

07000-13029

O-RING

SN: H50051-UP

1шт.

17

02783-10522

ELBOW

SN: H50051-UP

1шт.

18

07002-12434

O-RING

SN: H50051-UP

1шт.

19

02782-10516

ELBOW

SN: H50051-UP

1шт.

20

07002-22034

O-RING

SN: H50051-UP

1шт.

21

02896-21015

O-RING

SN: H50051-UP

2шт.

22

419-18-32194

HOSE

SN: H50051-UP

1шт.

23

02782-10420

ELBOW

SN: H50051-UP

1шт.

24

419-18-31430

UNION

SN: H50051-UP

1шт.

25

07002-21823

O-RING

SN: H50051-UP

1шт.

26

02896-21012

O-RING

SN: H50051-UP

1шт.

27

02783-10422

ELBOW

SN: H50051-UP

1шт.

28

07002-12034

O-RING

SN: H50051-UP

1шт.

29

419-14-31261

HOSE

SN: H50496-UP

1шт.

29

419-18-32234

HOSE

SN: H50051-H50495

1шт.

30

02896-11012

O-RING

SN: H50051-UP

2шт.

31

04434-52511

CLIP

SN: H50051-UP

1шт.

32

04434-52712

CLIP

SN: H50051-UP

1шт.

33

07095-20420

CUSHION

SN: H50051-UP

1шт.

34

01010-81020

BOLT

SN: H50051-UP

2шт.

35

01643-31032

WASHER

SN: H50051-UP

2шт.

36

04434-52712

CLIP

SN: H50496-UP

1шт.

37

07095-20420

CUSHION

SN: H50496-UP

1шт.

38

42A-16-11210

PLATE

SN: H50496-UP

1шт.

39

01010-81020

BOLT

SN: H50496-UP

2шт.

40

01643-31032

WASHER

SN: H50496-UP

2шт.

Выбрано товаров: 42