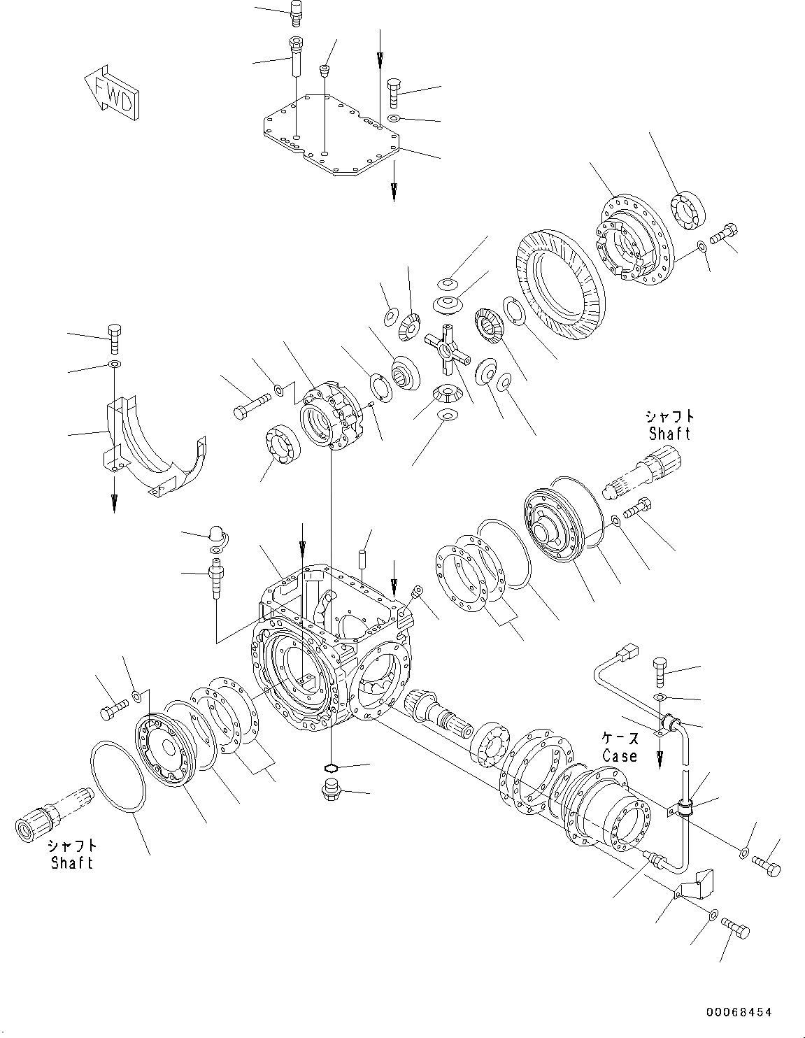
Запчасти Komatsu WA320-5 ПЕРЕДНИЙ МОСТ (ДИФФЕРЕНЦ. /) F POWER TRANSMITTING СИСТЕМА

Схема запчастей Komatsu WA320-5 - ПЕРЕДНИЙ МОСТ (ДИФФЕРЕНЦ. /) F POWER TRANSMITTING СИСТЕМА
23
7
9
35
1
21
22
19
12
11
7
9
8
10
2
4
3
7
5
9
20
6
7
9
8
10
35
13
18
17
39
38
40
34
37
36
15
14
16
36
37
34
40
39
38
32
24
25
27
28
29
31
33
33
21
22
26
41
43
42
30
30
a
a
c
c
b
b
FIT
1:1
100%

Артикул

Название

Примечание

Количество

|$1

419-22-H1111

AXLE ASSEMBLY (STD)

SN: H51447-UP

1шт.

|$2

419-22-H1111

AXLE ASSEMBLY (STD)

SN: H51427-H51427

1шт.

|$3

419-22-31010

DIFFERENTIAL ASSEMBLY

SN: H51447-UP

1шт.

|$4

419-22-31010

DIFFERENTIAL ASSEMBLY

SN: H51427-H51427

1шт.

|$5

419-22-31501

CASE ASSEMBLY

SN: H50051-UP

1шт.

1

419-22-31511

CASE

SN: H50051-UP

1шт.

2

419-22-31521

CASE

SN: H50051-UP

1шт.

3

01010-61295

BOLT

SN: H50051-UP

12шт.

4

01643-31232

WASHER

SN: H50051-UP

12шт.

5

175-21-12180

PIN

SN: H50051-UP

4шт.

6

418-22-31410

SPIDER

SN: H50051-UP

1шт.

7

419-22-11421

PINION

SN: H50051-UP

4шт.

8

419-22-21430

GEAR

SN: H50051-UP

2шт.

9

418-22-31550

WASHER

SN: H50051-UP

4шт.

10

419-22-11631

WASHER

SN: H50051-UP

2шт.

11

01010-61240

BOLT

SN: H50051-UP

20шт.

12

01643-31232

WASHER

SN: H50051-UP

20шт.

13

419-22-33611

HOUSING

SN: H50051-UP

1шт.

14

07044-13620

PLUG

SN: H50051-UP

1шт.

15

07002-13634

O-RING

SN: H50051-UP

1шт.

16

07043-70211

PLUG

SN: H50051-UP

2шт.

17

419-33-11460

BLEEDER

SN: H50051-UP

2шт.

18

566-32-11620

CAP

SN: H50051-UP

2шт.

19

419-22-33621

COVER

SN: H50051-UP

1шт.

20

04020-01228

PIN, DOWEL

SN: H50051-UP

2шт.

21

01010-61240

BOLT

SN: H50051-UP

20шт.

22

01643-31232

WASHER

SN: H50051-UP

20шт.

23

419-22-33921

CONNECTOR

SN: H50051-UP

1шт.

24

07030-01030

BREATHER

SN: H50051-UP

1шт.

25

07043-70415

PLUG

SN: H50051-UP

1шт.

26

426-06-31120

SENSOR, OIL TEMPERATURE

SN: H51447-UP

1шт.

26

426-06-31120

SENSOR, OIL TEMPERATURE

SN: H51427-H51427

1шт.

27

01010-61225

BOLT

SN: H50051-UP

2шт.

28

01643-31232

WASHER

SN: H50051-UP

2шт.

29

419-22-33812

COVER

SN: H51447-UP

1шт.

29

419-22-33812

COVER

SN: H51427-H51427

1шт.

30

04434-51612

CLIP

SN: H51447-UP

2шт.

30

04434-51612

CLIP

SN: H51427-H51427

2шт.

31

01010-61225

BOLT

SN: H50051-UP

1шт.

32

01643-31232

WASHER

SN: H50051-UP

1шт.

33

07095-20211

CUSHION

SN: H51447-UP

2шт.

33

07095-20211

CUSHION

SN: H51427-H51427

2шт.

34

419-22-21861

CARRIER

SN: H50051-UP

2шт.

35

419-22-11850

BEARING

SN: H50051-UP

2шт.

36

419-22-21760

SHIM, T=0.05MM

SN: H50051-UP

-26шт.

36

419-22-21770

SHIM, T=0.2MM

SN: H50051-UP

-26шт.

36

419-22-21780

SHIM, T=0.3MM

SN: H50051-UP

-26шт.

36

419-22-21790

SHIM, T=0.8MM

SN: H50051-UP

-26шт.

37

418-33-21430

RING

SN: H50051-UP

2шт.

38

01010-61240

BOLT

SN: H50051-UP

16шт.

39

01643-31232

WASHER

SN: H50051-UP

16шт.

40

419-33-21710

SEAL

SN: H50051-UP

2шт.

41

419-22-31710

COVER

SN: H50051-UP

1шт.

42

01010-61225

BOLT

SN: H50051-UP

4шт.

43

01643-31232

WASHER

SN: H50051-UP

4шт.

Выбрано товаров: 55