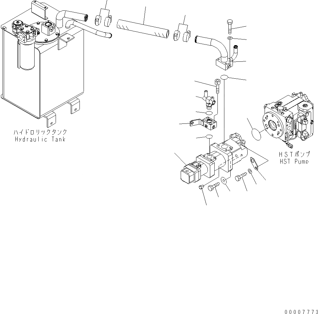
Запчасти Komatsu WA320-5 ГИДР. НАСОС. H ГИДРАВЛИКА

Схема запчастей Komatsu WA320-5 - ГИДР. НАСОС. H ГИДРАВЛИКА
10
9
10
13
14
11
12
2
17
18
19
15
16
1
8
3
6
4
5
7
FIT
1:1
100%

Артикул

Название

Примечание

Количество

1

705-56-36050

PUMP ASSEMBLY

SN: H50051-UP

1шт.

2

UC17008536461

O-RING

SN: H50051-UP

1шт.

3

01016-51240

BOLT

SN: H50051-UP

4шт.

4

01016-51650

BOLT

SN: H50051-UP

1шт.

5

01643-31645

WASHER

SN: H50051-UP

1шт.

6

175-54-34170

WASHER

SN: H50051-UP

4шт.

7

419-62-33950

PLATE

SN: H50051-UP

1шт.

8

07049-02025

PLUG

SN: H50051-UP

1шт.

9

419-62-34110

HOSE

SN: H50051-UP

1шт.

10

07289-00070

CLAMP

SN: H50051-UP

4шт.

11

419-62-34212

TUBE

SN: H50051-UP

1шт.

12

07000-12060

O-RING

SN: H50051-UP

1шт.

13

01010-81270

BOLT

SN: H50051-UP

4шт.

14

01643-31232

WASHER

SN: H50051-UP

4шт.

15

419-62-34291

BLOCK

SN: H50051-UP

1шт.

16

07000-13048

O-RING

SN: H50051-UP

1шт.

17

01252-71255

BOLT

SN: H50051-UP

4шт.

18

419-62-34311

TEE

SN: H50051-UP

1шт.

19

07002-13334

O-RING

SN: H50051-UP

1шт.

Выбрано товаров: 19