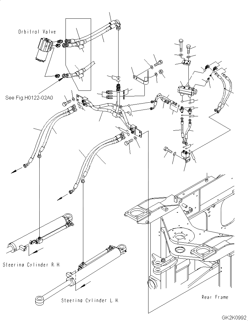
Запчасти Komatsu WA320-5 РУЛЕВ. УПРАВЛЕНИЕ ГИДРОЛИНИЯ (БОРТОВ. ФРИКЦИОН И РУЛЕВ. УПРАВЛЕНИЕ ТОРМОЗ.) H ГИДРАВЛИКА

Схема запчастей Komatsu WA320-5 - РУЛЕВ. УПРАВЛЕНИЕ ГИДРОЛИНИЯ (БОРТОВ. ФРИКЦИОН И РУЛЕВ. УПРАВЛЕНИЕ ТОРМОЗ.) H ГИДРАВЛИКА
28
29
28
29
3
2
12
13
12
13
2
3
17
1
17
8
16
10
10
4
6
5
11
7
9
30
19
32
31
20
21
39
39
37
38
26
26
40
36
15
14
34
35
33
34
27
25
27
23
24
22
25
18
a
a
b
b
FIT
1:1
100%

Артикул

Название

Примечание

Количество

1

419-62-31224

TUBE

SN: H50051-UP

1шт.

2

01010-81025

BOLT

SN: H50051-UP

4шт.

3

01643-31032

WASHER

SN: H50051-UP

4шт.

4

419-62-31463

BRACKET

SN: H50051-UP

1шт.

5

01016-51030

BOLT

SN: H50051-UP

2шт.

6

01643-31032

WASHER

SN: H50051-UP

2шт.

7

01643-31032

WASHER

SN: H50051-UP

4шт.

8

07283-32236

CLIP

SN: H50051-UP

2шт.

9

01597-01009

NUT

SN: H50051-UP

4шт.

10

419-62-33971

HOSE

SN: H50051-UP

2шт.

11

07283-52232

SEAT

SN: H50051-UP

2шт.

12

419-62-33892

HOSE

SN: H50685-UP

2шт.

12

419-62-33891

HOSE

SN: H50051-H50684

2шт.

13

419-62-31611

HOSE

SN: H50685-UP

2шт.

13

419-62-31610

HOSE

SN: H50051-H50684

2шт.

14

419-62-34450

HOSE, 270MM

SN: H50051-UP

1шт.

15

419-62-33960

HOSE, 320MM

SN: H50051-UP

1шт.

16

07002-13034

O-RING

SN: H50051-UP

2шт.

17

02896-11012

O-RING

SN: H50051-UP

4шт.

18

02896-11008

O-RING

SN: H50051-UP

2шт.

19

419-64-35151

BRACKET

SN: H50051-UP

1шт.

20

01010-81025

BOLT

SN: H50051-UP

2шт.

21

01643-31032

WASHER

SN: H50051-UP

2шт.

22

419-62-31590

BLOCK

SN: H50051-UP

1шт.

23

01010-81020

BOLT

SN: H50051-UP

2шт.

24

01643-31032

WASHER

SN: H50051-UP

2шт.

25

02896-11008

O-RING

SN: H50051-UP

4шт.

26

419-62-34460

HOSE, 370MM

SN: H50051-UP

2шт.

27

419-62-34471

HOSE, 210MM

SN: H50051-UP

2шт.

28

424-06-31290

CUSHION

SN: H50685-UP

2шт.

29

08034-20834

BAND

SN: H50685-UP

4шт.

30

419-64-35600

VALVE ASSEMBLY, CUSHION

SN: H50051-UP

1шт.

31

01010-80845

BOLT

SN: H50051-UP

2шт.

32

01643-30823

WASHER

SN: H50051-UP

2шт.

33

419-62-34481

TEE

SN: H50051-UP

2шт.

34

02896-11008

O-RING

SN: H50051-UP

4шт.

35

07000-12014

O-RING

SN: H50051-UP

2шт.

|$38

419-62-31581

VALVE ASSEMBLY

SN: H50051-UP

2шт.

36

419-62-31571

ELBOW

SN: H50051-UP

1шт.

37

20U-60-22310

POPPET

SN: H50051-UP

1шт.

38

21Y-62-11591

PLUG

SN: H50051-UP

1шт.

39

07002-11423

O-RING

SN: H50051-UP

2шт.

40

02896-11008

O-RING

SN: H50051-UP

2шт.

Выбрано товаров: 43