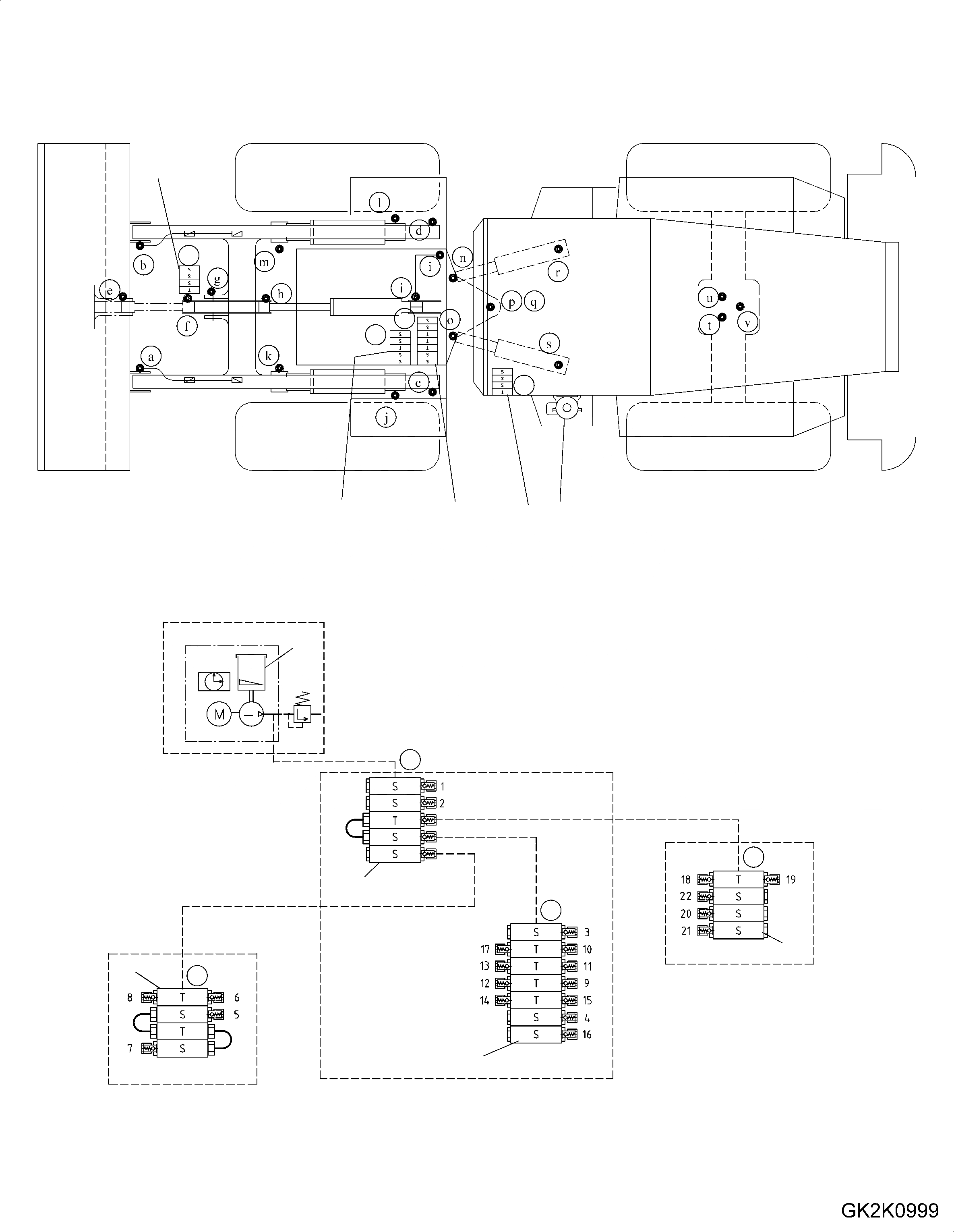
Запчасти Komatsu WA320-5 CENTRAL СМАЗКА СИСТЕМА (ЧАСТИ) J РАМА И ITS КОМПОНЕНТЫ

Схема запчастей Komatsu WA320-5 - CENTRAL СМАЗКА СИСТЕМА (ЧАСТИ) J РАМА И ITS КОМПОНЕНТЫ
5
2
3
4
1
2
3
4
5
1
A
B
C
D
A
C
B
D
FIT
1:1
100%

Артикул

Название

Примечание

Количество

1

419-09-H2750

GREASE PUMP

SN: H50051-UP

1шт.

|$2

0

FEEDER FRONT FRAME (STD BOOM)

SN: H50051-UP

1шт.

|$3

0

FEEDER FRONT FRAME (HIGH LIFT BOOM)

SN: H50051-UP

1шт.

2

419-09-H2680

FEEDER

SN: H50051-UP

1шт.

3

419-09-H2670

FEEDER

SN: H50051-UP

1шт.

4

0

FEEDER REAR FRAME

SN: H50051-UP

1шт.

|$7

0

FEEDER BELLCRANK (STD BOOM)

SN: H50051-UP

1шт.

|$8

0

FEEDER BELLCRANK (HIGH LIFT BOOM)

SN: H50051-UP

1шт.

5

419-09-H2620

FEEDER

SN: H50051-UP

1шт.

Выбрано товаров: 9