Запчасти Komatsu WA320-5 ГОЛОВКА ЦИЛИНДРОВ AA ДВИГАТЕЛЬ

Схема запчастей Komatsu WA320-5 - ГОЛОВКА ЦИЛИНДРОВ AA ДВИГАТЕЛЬ
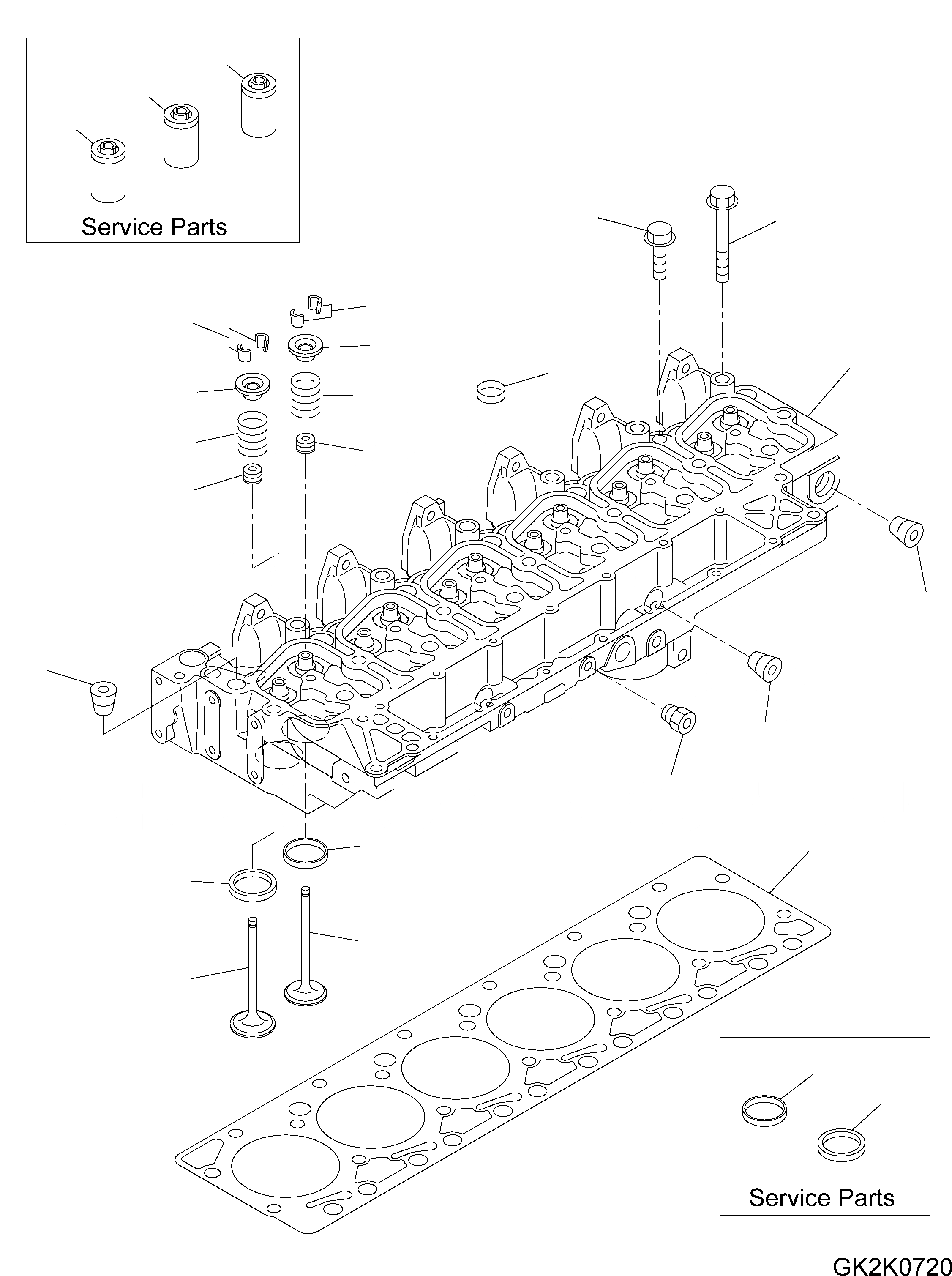
18
17
16
12
13
5
5
1
7
2
7
6
6
8
8
11
4
4
3
19
14
15
10
9
14
15
FIT
1:1
100%

Артикул

Название

Примечание

Количество

|$1

6735-11-1161

HEAD, CYLINDER

SN: 21573167-UP

1шт.

|$2

6735-11-1201

HEAD, CYLINDER

SN: 21563300-21563301

1шт.

1

6735-11-1102

HEAD, CYLINDER

SN: 21573167-UP

1шт.

|$4

6735-11-1102

HEAD, CYLINDER

SN: 21563300-21563301

1шт.

2

6736-11-1160

PLUG

SN: 21814611-UP

5шт.

|$6

0

PLUG

SN: 21563300-21740096

5шт.

3

NOT USED

SN: 21563300-UP

-1шт.

4

6732-11-1910

PLUG

SN: 21563300-UP

5шт.

|$9

6736-41-4110

VALVE, INTAKE

SN: 21563300-UP

6шт.

5

6732-41-4520

COLLET, VALVE

SN: 21563300-UP

12шт.

9

0

VALVE, INTAKE

SN: 21563300-UP

6шт.

|$12

6736-41-4210

VALVE, EXHAUST

SN: 21563300-UP

6шт.

5

6732-41-4520

COLLET, VALVE

SN: 21563300-UP

12шт.

10

0

VALVE, EXHAUST

SN: 21563300-UP

6шт.

6

6732-41-4430

SPRING, VALVE

SN: 21563300-UP

12шт.

7

6731-41-4511

RETAINER, VALVE SPRING

SN: 21573167-UP

12шт.

|$17

0

RETAINER, VALVE SPRING

SN: 21563300-21740096

12шт.

8

6732-41-4541

SEAL, VALVE STEM, (K1)

SN: 21573167-UP

12шт.

|$19

6732-41-4540

SEAL, VALVE STEM, (K1)

SN: 21563300-21563301

12шт.

11

6732-11-1920

PLUG

SN: 21563300-UP

1шт.

12

6732-11-1610

SCREW

SN: 21563300-UP

6шт.

13

6732-11-1620

SCREW

SN: 21563300-UP

14шт.

|$23

SERVICE PARTS

-1шт.

14

6732-11-1170

INSERT, VALVE, EXHAUST

SN: 21563300-UP

6шт.

15

6732-11-1180

INSERT, VALVE, INTAKE

SN: 21563300-UP

6шт.

16

6736-19-1310

GUIDE, THICK VALVE, INTAKE

SN: 21563300-UP

1шт.

17

6736-19-1410

GUIDE, THICK VALVE, EXHAUST

SN: 21563300-UP

1шт.

18

6736-18-1310

GUIDE, THIN VALVE, INTAKE AND EXHAUST

SN: 21563300-UP

1шт.

19

6735-11-1821

GASKET, CYLINDER HEAD, (K1)

SN: 21563300-UP

1шт.

Выбрано товаров: 29