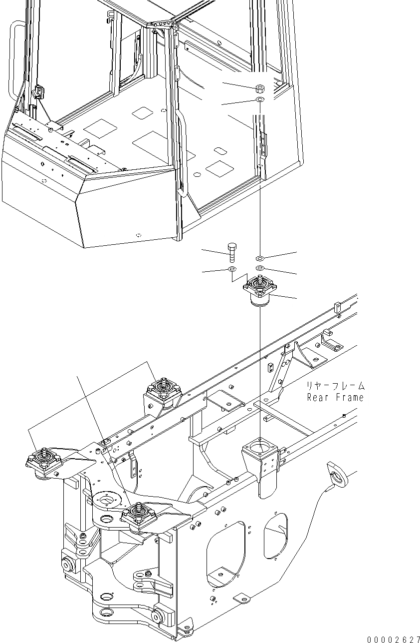
Запчасти Komatsu WA320-5 ПОЛ СУППОРТ K OPERATORґS ОБСТАНОВКА И СИСТЕМА УПРАВЛЕНИЯ

Схема запчастей Komatsu WA320-5 - ПОЛ СУППОРТ K OPERATORґS ОБСТАНОВКА И СИСТЕМА УПРАВЛЕНИЯ
2
3
4
5
6
2
1
1
FIT
1:1
100%

Артикул

Название

Примечание

Количество

1

416-54-33140

VISCOUS MOUNT

SN: ..-UP

4шт.

1

418-54-33110

VISCOUS MOUNT

SN: H50051-.

4шт.

2

01643-32460

WASHER

SN: H50051-UP

8шт.

3

42Y-00-H0520

NUT

SN: H50051-UP

4шт.

4

01010-81845

BOLT

SN: H50051-UP

16шт.

5

01643-31845

WASHER

SN: H50051-UP

16шт.

6

561-40-41210

SHIM, 1.2MM

SN: H50051-UP

4шт.

Выбрано товаров: 7