Запчасти Komatsu WA320-5 INCHING УПРАВЛ-Е K OPERATORґS ОБСТАНОВКА И СИСТЕМА УПРАВЛЕНИЯ

Схема запчастей Komatsu WA320-5 - INCHING УПРАВЛ-Е K OPERATORґS ОБСТАНОВКА И СИСТЕМА УПРАВЛЕНИЯ
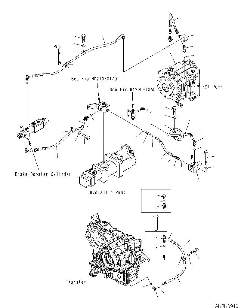
24
28
29
26
26
27
25
29
28
31
32
33
22
21
23
9
6
11
14
1
3
2
14
13
6
10
15
17
16
30
20
19
18
12
12
14
5
4
6
8
15
17
16
7
6
17A
17B
a
a
FIT
1:1
100%

Артикул

Название

Примечание

Количество

1

417-18-31111

SOLENOID VALVE ASSEMBLY, CLUTCH

SN: H50051-UP

1шт.

2

01010-80870

BOLT

SN: H50051-UP

2шт.

3

01643-30823

WASHER

SN: H50051-UP

2шт.

4

02782-10210

ELBOW

SN: H50051-UP

1шт.

5

07002-11423

O-RING

SN: H50051-UP

1шт.

6

02896-11008

O-RING

SN: H50051-UP

4шт.

7

419-18-31342

HOSE

SN: H50051-UP

1шт.

8

08210-00602

SPIRAL TUBE

SN: H50051-UP

1шт.

9

419-18-31361

HOSE

SN: H50051-UP

1шт.

10

419-18-31391

HOSE

SN: H50051-UP

1шт.

11

21W-62-43980

ELBOW

SN: H50051-UP

1шт.

12

418-18-31111

ELBOW

SN: ..-UP

1шт.

12

21W-62-43990

ELBOW

SN: H50051-.

1шт.

13

21W-62-43970

ELBOW

SN: H50051-UP

1шт.

14

07000-12011

O-RING

SN: H50051-UP

3шт.

15

04434-51210

CLIP

SN: H50051-UP

2шт.

16

01010-81020

BOLT

SN: H50051-UP

2шт.

17

01643-31032

WASHER

SN: H50051-UP

2шт.

17A

07040-11007

PLUG

SN: ..-UP

1шт.

17B

07002-11023

O-RING

SN: ..-UP

1шт.

18

07000-12018

O-RING

SN: H50051-UP

1шт.

19

419-18-31510

TEE

SN: H50051-UP

1шт.

20

02896-11009

O-RING

SN: H50051-UP

2шт.

21

20U-62-41890

NIPPLE

SN: H50051-UP

1шт.

22

07002-11423

O-RING

SN: H50051-UP

1шт.

23

02896-11008

O-RING

SN: H50051-UP

1шт.

24

419-18-31312

HOSE

SN: H50051-UP

1шт.

25

419-18-31322

HOSE

SN: H50051-UP

1шт.

26

04434-51610

CLIP

SN: H50051-UP

2шт.

27

04434-51510

CLIP

SN: H50051-UP

1шт.

28

01010-81020

BOLT

SN: H50051-UP

2шт.

29

01643-31032

WASHER

SN: H50051-UP

2шт.

30

02761-003A3

HOSE, 350MM

SN: H50051-UP

1шт.

31

11Y-62-12510

ELBOW

SN: H50051-UP

1шт.

32

07002-11423

O-RING

SN: H50051-UP

1шт.

33

02896-11009

O-RING

SN: H50051-UP

1шт.

Выбрано товаров: 36