Запчасти Komatsu WA320-5 HYDROSTATIC ТРАНСМИССИЯ (HST) (ВНУТР. ЧАСТИ) (НАСОС) (/7) (SN H8 - H) (SN H - ) Y ОСНОВН. КОМПОНЕНТЫ И РЕМКОМПЛЕКТЫ

Схема запчастей Komatsu WA320-5 - HYDROSTATIC ТРАНСМИССИЯ (HST) (ВНУТР. ЧАСТИ) (НАСОС) (/7) (SN H8 - H) (SN H - ) Y ОСНОВН. КОМПОНЕНТЫ И РЕМКОМПЛЕКТЫ
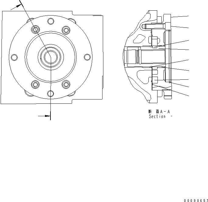
1
7
5
3
6
8
2
4
9
A
A
A
A
FIT
1:1
100%

Артикул

Название

Примечание

Количество

|$1

419-18-31102

PUMP

SN: H50228-UP

1шт.

|$2

0

PUMP, GEAR

SN: H50228-UP

1шт.

|$3

0

PUMP, GEAR

SN: H50228-UP

1шт.

1

0

FLANGE

SN: H50228-UP

1шт.

2

0

BEARING, BUSHING

SN: H50228-UP

1шт.

3

0

DRIVE SHAFT ASSEMBLY

SN: H50228-UP

1шт.

4

0

WHEEL, SET

SN: H50228-UP

1шт.

5

0

KEY

SN: H50228-UP

1шт.

6

UC1701540194

RING, SPRING

SN: H50228-UP

1шт.

7

UC1090866118

BOLT

SN: H50228-UP

4шт.

8

UC1303045006

O-RING

SN: H50228-UP

1шт.

9

UC1303046825

O-RING

SN: H50228-UP

1шт.

Выбрано товаров: 12