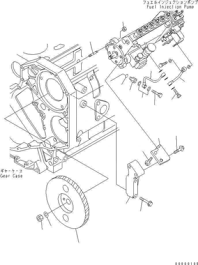
Запчасти Komatsu WA320-5 КРЕПЛЕНИЕ ТОПЛ. НАСОСА AA ДВИГАТЕЛЬ

Схема запчастей Komatsu WA320-5 - КРЕПЛЕНИЕ ТОПЛ. НАСОСА AA ДВИГАТЕЛЬ
6
7
12
11
15
14
13
16
17
4
3
5
1
2
8
9
10
FIT
1:1
100%

Артикул

Название

Примечание

Количество

1

6738-71-3620

BRACKET

SN: 21563300-UP

1шт.

2

6732-61-3110

BOLT

SN: 21563300-UP

2шт.

3

6738-71-3610

BRACKET

SN: 21563300-UP

1шт.

4

6735-71-3220

BOLT

SN: 21563300-UP

2шт.

5

6734-71-5610

BOLT

SN: 21563300-UP

2шт.

6

6738-71-3120

STUD

SN: 21563300-UP

4шт.

7

6736-81-6170

NUT

SN: 21563300-UP

4шт.

8

6738-71-3100

GEAR ASSEMBLY

SN: 21563300-UP

1шт.

9

6130-32-1361

WASHER

SN: 21563300-UP

1шт.

10

01582-01411

NUT

SN: 21563300-UP

1шт.

11

6732-71-5450

NIPPLE

SN: 21563300-UP

1шт.

12

6215-81-9710

O-RING

SN: 21563300-UP

1шт.

13

07206-30710

BOLT, JOINT

SN: 21563300-UP

1шт.

14

07005-01012

GASKET, (K2)

SN: 21563300-UP

2шт.

15

6735-71-5411

TUBE, OIL

SN: 21563300-UP

1шт.

16

6735-71-5420

BOLT, JOINT

SN: 21563300-UP

1шт.

17

6735-71-5430

TUBE

SN: 21563300-UP

1шт.

Выбрано товаров: 17